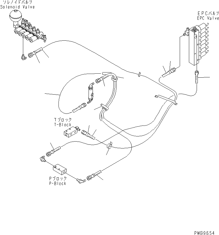
Запчасти Komatsu PC200LC-6J ОСНОВН. КОНСТРУКЦИЯ (РАБОЧАЯ ЛИНИЯ PPC) (ЛИНИЯ КЛАПАНА EPC) (EPC)(№9-) КАБИНА ОПЕРАТОРА И СИСТЕМА УПРАВЛЕНИЯ

Схема запчастей Komatsu PC200LC-6J - ОСНОВН. КОНСТРУКЦИЯ (РАБОЧАЯ ЛИНИЯ PPC) (ЛИНИЯ КЛАПАНА EPC) (EPC)(№9-) КАБИНА ОПЕРАТОРА И СИСТЕМА УПРАВЛЕНИЯ
1
1
2
2
3
3
4
4
5
5
6
6
7
8
FIT
1:1
100%

Артикул

Название

Примечание

Количество

1

20Y-62-22890

HOSE¤ 2950MM

2

20Y-62-22790

BAND¤ RED

3

20Y-62-22910

HOSE¤ 1050MM

4

20Y-62-23510

HOSE¤ 1200MM

5

20Y-62-23480

HOSE¤ 1450MM

6

20Y-62-22820

BAND¤ BLUE

7

08034-00519

BAND

8

04435-51608

CLIP

Выбрано товаров: 8