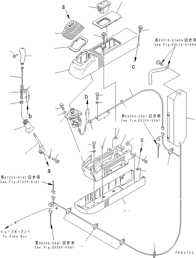
Запчасти Komatsu PC200LC-6J ЛЕВ. СТОЙКА (РЫЧАГ И COVER) (РАБОЧ. РЫЧАГ С КЛАПАН EPC) (MULTI PATTERN)(№8-9) КАБИНА ОПЕРАТОРА И СИСТЕМА УПРАВЛЕНИЯ

Схема запчастей Komatsu PC200LC-6J - ЛЕВ. СТОЙКА (РЫЧАГ И COVER) (РАБОЧ. РЫЧАГ С КЛАПАН EPC) (MULTI PATTERN)(№8-9) КАБИНА ОПЕРАТОРА И СИСТЕМА УПРАВЛЕНИЯ
1
2
2
2
3
4
5
6
7
8
9
10
11
12
13
14
14
15
16
17
18
18
19
20
21
22
23
24
25
26
27
28
29
29
30
31
32
33
34
FIT
1:1
100%

Артикул

Название

Примечание

Количество

1

20Y-06-22810

CONTROL BOX

2

08034-00414

BAND

|3

20Y-43-21612

LEVER ASS'Y,L.H.

|3

20Y-43-21611

LEVER ASS'Y,L.H.

3

20Y-43-22211

LEVER,L.H.

|4

20Y-43-22232

KNOB,L.H.

|4

20Y-43-22231

KNOB,L.H.

4

01370-10308

SCREW

5

20Y-43-22381

KNOB,L.H.

|5

20Y-43-22380

KNOB,L.H.

|6

20Y-43-00010

SWITCH ASS'Y

6

20Y-43-22420

INSERT

7

20Y-43-22430

SWITCH,L.H.

8

20Y-43-22250

PLATE

9

20Y-43-22261

BOOT

10

20Y-43-22370

BOOT

11

600-411-1280

NUT

12

08034-00310

BAND

13

20Y-43-22121

CASE

14

20Y-43-16590

SCREW

|15

20Y-43-22451

COVER ASS'Y

15

20Y-43-22152

COVER,L.H.

16

20Y-06-21751

ASHTRAY

17

20Y-06-22170

WIRING HARNESS

18

424-06-12850

CLIP

19

01010-50820

BOLT

20

01643-30823

WASHER

21

08034-00310

BAND

22

7834-50-2001

LEVER UNIT ASS'Y

|22

7834-50-2000

LEVER UNIT ASS'Y

23

01010-50820

BOLT

24

01643-30823

WASHER

|25

20Y-43-21651

COVER ASS'Y

25

20Y-43-22111

CASE

26

20Y-43-22131

FRAME

27

20Y-43-22310

CLIP

28

20Y-43-22470

BOLT

29

20Y-43-22480

SPRING

30

198-911-5530

NUT

31

01010-51025

BOLT

32

01643-31032

WASHER

33

01252-41025

BOLT

34

01643-51032

WASHER

Выбрано товаров: 0