Запчасти Komatsu PC200LC-6J ОСНОВН. НАСОС (/)(№9999-997) ОСНОВН. КОМПОНЕНТЫ И РЕМКОМПЛЕКТЫ

Схема запчастей Komatsu PC200LC-6J - ОСНОВН. НАСОС (/)(№9999-997) ОСНОВН. КОМПОНЕНТЫ И РЕМКОМПЛЕКТЫ
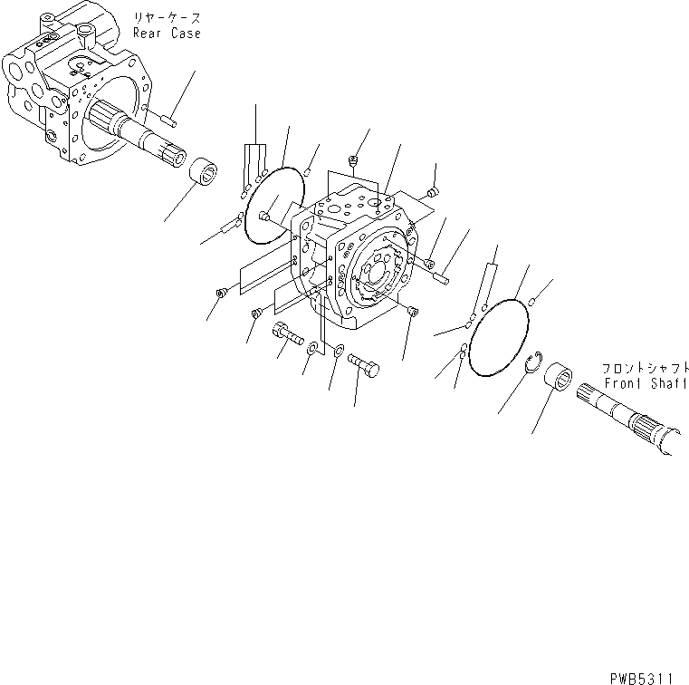
1
2
2
2
2
2
2
2
3
3
4
5
5
6
6
7
7
7
7
7
8
8
8
9
9
10
10
FIT
1:1
100%

Артикул

Название

Примечание

Количество

|1

708-2L-00412

PUMP ASS'Y

|1

708-2L-00411

PUMP ASS'Y

|1

708-2L-01441

PUMP SUB ASS'Y

|1

708-2L-01440

PUMP SUB ASS'Y

|1

708-2L-04320

CAP ASS'Y,END

1

CAP,END

2

PLUG

3

708-2L-32260

BEARING

4

708-2L-22271

RING,SNAP

5

07000-A5165

O-RING

6

04020-01228

PIN

7

07000-B2010

O-RING

8

07000-B2012

O-RING

9

01010-61450

BOLT

10

01643-31445

WASHER

Выбрано товаров: 0