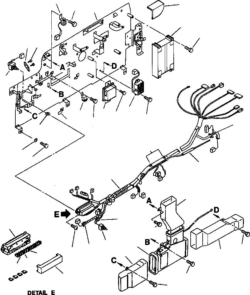
Запчасти Komatsu PC200LC-6LE FIG. K-9A КАБИНА - РЫЧАГ С КЛАПАНОМ PPC - ЭЛЕКТРИЧ. РЕГУЛЯТОР КАБИНА ОПЕРАТОРА И СИСТЕМА УПРАВЛЕНИЯ

Схема запчастей Komatsu PC200LC-6LE - FIG. K-9A КАБИНА - РЫЧАГ С КЛАПАНОМ PPC - ЭЛЕКТРИЧ. РЕГУЛЯТОР КАБИНА ОПЕРАТОРА И СИСТЕМА УПРАВЛЕНИЯ
26
32
27
1
28
29
34
35
2
24
30
4
31
25
5
33
14
3
13
38
37
36
6
20
14
7
21
9
16
14
19
15
18
11
22
10
12
8
17
23
FIT
1:1
100%

Артикул

Название

Примечание

Количество

1

207-06-61510

BASE, CAB

2

20Y-06-24121

SWITCH ASSEMBLY

3

01641-21223

WASHER

4

569-06-61960

RELAY

5

01435-00610

BOLT

6

20Y-06-27751

HARNESS ASSEMBLY

|$6

20Y-06-27750

HARNESS ASSEMBLY

7

08044-11500

BOX

|$8

283-06-16110

BOX

8

195-Z11-2290

COVER

9

20Y-06-24130

SWITCH

10

08041-01000

FUSE, 10A

|$12

283-06-16190

FUSE, 10A

11

08041-01500

FUSE, 15A

|$14

205-06-73180

FUSE, 15A

12

08041-02000

FUSE, 20A

|$16

22W-06-13160

FUSE, 20A

13

20Y-06-21460

CLIP

14

20Y-06-23960

CLIP

15

01023-10625

SCREW

16

20Y-979-2130

BOX ASSEMBLY (SEE FIG. K0700-09A0)

17

01435-01016

BOLT

18

20Y-979-2221

DUCT

19

01435-00610

BOLT

20

20Y-979-2231

DUCT

21

01435-00610

BOLT

22

20Y-979-2242

DUCT

23

01435-00610

BOLT

24

7861-94-4001

RESISTOR

25

01435-00820

BOLT

26

203-06-56230

BUZZER ASSEMBLY

27

01435-00610

BOLT

28

7834-21-7003

CONTROLLER

29

01435-00880

BOLT

30

20Y-06-25310

RELAY BOX

|$35

20Y-06-24441

RELAY BOX

31

01435-00630

BOLT

32

20Y-06-24220

SHEET

33

08051-00801

CLIP

34

20Y-06-23521

LOCK

35

01435-00820

BOLT

36

08017-30701

CONDUIT

37

01010-81020

BOLT

38

01643-31032

WASHER

Выбрано товаров: 44