Запчасти Komatsu PC200LC-6LE FIG. K-A ОСНОВН. КОНСТРУКЦИЯ - ЛЕВ. СТОЙКА ПОДЛОКОТНИК КАБИНА ОПЕРАТОРА И СИСТЕМА УПРАВЛЕНИЯ

Схема запчастей Komatsu PC200LC-6LE - FIG. K-A ОСНОВН. КОНСТРУКЦИЯ - ЛЕВ. СТОЙКА ПОДЛОКОТНИК КАБИНА ОПЕРАТОРА И СИСТЕМА УПРАВЛЕНИЯ
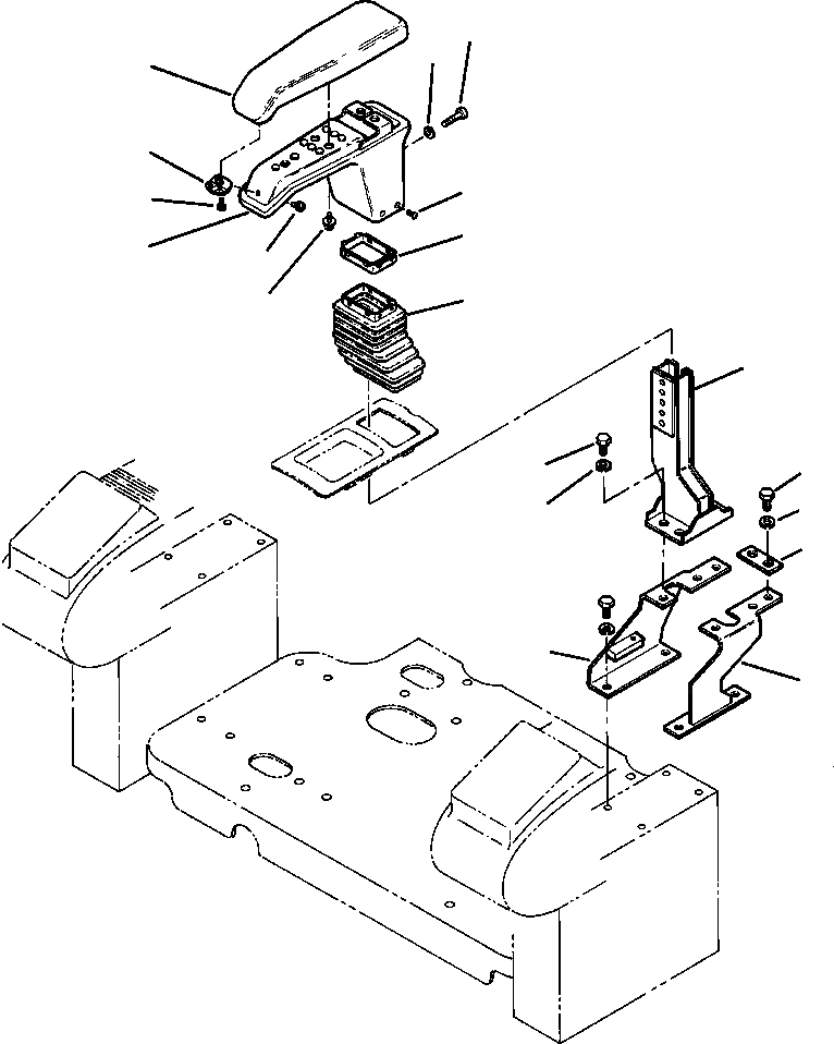
10
11
3
6
9
7
1
4
8
2
5
12
14
17
18
15
19
13
16
FIT
1:1
100%

Артикул

Название

Примечание

Количество

|$0

20Y-43-22891

BOOT ASSEMBLY

1

20Y-43-22871

PLATE

2

20Y-43-22881

BOOT, ARM REST

|$3

20Y-43-22931

ARM REST ASSEMBLY

3

20Y-43-22911

COVER

4

20Y-43-22921

ARM REST

5

20Y-43-22990

SCREW

6

20Y-43-22970

BRACKET

7

01370-40412

SCREW

8

01023-70412

SCREW

9

01023-20308

SCREW

10

01010-80825

BOLT

11

01643-30823

WASHER

12

20Y-43-22731

BRACKET, LEFT HAND

13

20Y-43-22750

BRACKET, RIGHT HAND

14

01010-81025

BOLT

15

01643-31032

WASHER

16

20Y-43-22760

BRACKET, LEFT HAND

17

01010-81025

BOLT

18

01643-31032

WASHER

19

20Y-43-22770

PLATE

Выбрано товаров: 21