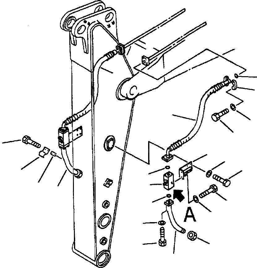
Запчасти Komatsu PC200LC-6LE FIG. T-A ТРУБЫ - ДОПОЛН. ГИДРАВЛS - .8 M ( FT IN) РУКОЯТЬ РАБОЧЕЕ ОБОРУДОВАНИЕ

Схема запчастей Komatsu PC200LC-6LE - FIG. T-A ТРУБЫ - ДОПОЛН. ГИДРАВЛS - .8 M ( FT IN) РУКОЯТЬ РАБОЧЕЕ ОБОРУДОВАНИЕ
1
2
3
1
4
5
15
6
8
7
14
2
9
16
10
11
17
18
13
12
19
10
FIT
1:1
100%

Артикул

Название

Примечание

Количество

1

20Y-970-6370

HOSE

2

21T-09-11460

O-RING

3

07371-31049

FLANGE

4

07372-21035

BOLT

5

01643-51032

WASHER

6

20Y-970-3220

BRACKET

7

01010-81230

BOLT

8

01643-31232

WASHER

10

20Y-970-6380

TUBE

11

07000-13035

O-RING

12

07372-21040

BOLT

13

01643-51032

WASHER

14

207-62-31330

CLAMP

15

01010-81225

BOLT

16

20Y-62-13450

PLATE

17

01010-81230

BOLT

18

01643-31232

WASHER

19

205-970-7680

PLUG

Выбрано товаров: 18