Запчасти Komatsu PC200LC-6S ОСНОВН. КЛАПАН (-АКТУАТОР) (/) (ДЛЯ РУКОЯТИ ВРАЩЕНИЕ)(№8-899) ОСНОВН. КОМПОНЕНТЫ И РЕМКОМПЛЕКТЫ

Схема запчастей Komatsu PC200LC-6S - ОСНОВН. КЛАПАН (-АКТУАТОР) (/) (ДЛЯ РУКОЯТИ ВРАЩЕНИЕ)(№8-899) ОСНОВН. КОМПОНЕНТЫ И РЕМКОМПЛЕКТЫ
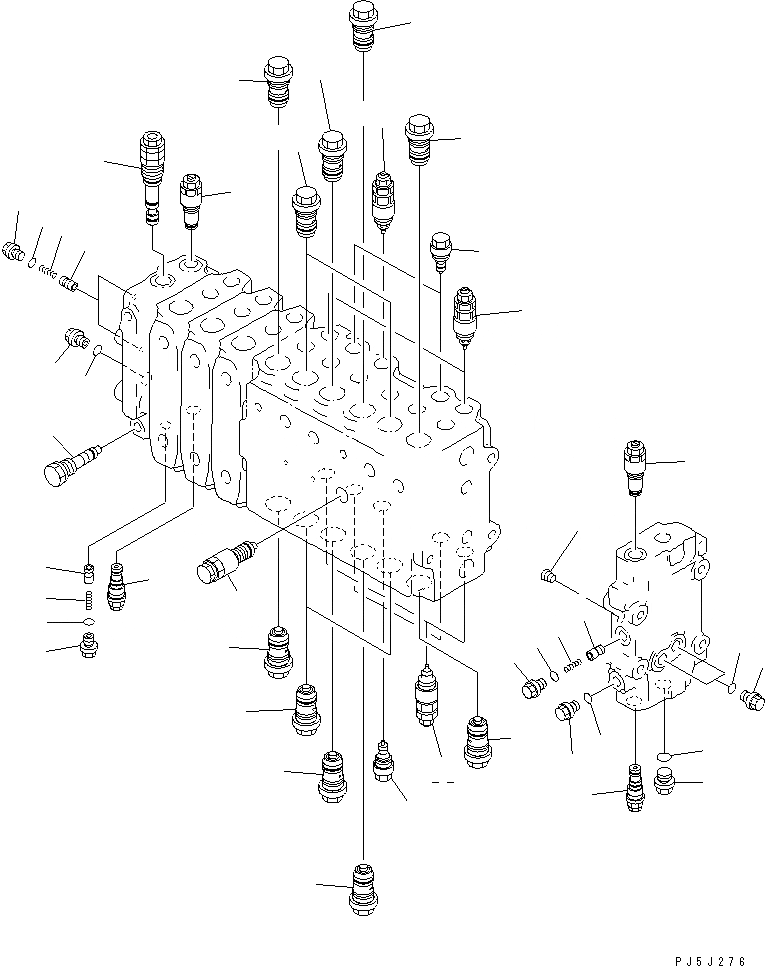
1
1
2
2
3
3
3
3
3
4
4
4
4
4
5
6
7
8
9
10
11
12
13
13
14
14
15
15
16
16
16
17
18
19
19
20
20
21
22
22
23
24
24
FIT
1:1
100%

Артикул

Название

Примечание

Количество

|1

723-49-10700

VALVE ASS'Y

1

723-46-15150

VALVE

2

723-46-14150

SPRING

3

723-46-15180

PLUG

4

07002-11823

O-RING

5

723-46-15190

VALVE

6

723-46-14140

SPRING

7

708-8E-16160

PLUG

8

07002-11023

O-RING

9

709-74-91860

PLUG

10

07002-12434

O-RING

11

PLUG

12

723-46-40100

VALVE ASS'Y

13

723-46-46101

VALVE ASS'Y

14

723-46-40300

VALVE ASS'Y

15

723-46-41100

VALVE ASS'Y

16

723-46-45100

VALVE ASS'Y

17

723-46-15100

PLUG ASS'Y

18

723-40-50100

VALVE ASS'Y,RELIEF

19

723-40-50200

VALVE ASS'Y,RELIEF

20

723-40-56100

VALVE ASS'Y,UNLOAD

21

723-40-60100

VALVE ASS'Y

22

709-70-74302

VALVE ASS'Y,SUCTION AND SAFETY

23

709-70-74203

VALVE ASS'Y,SUCTION AND SAFETY

24

723-40-85100

VALVE ASS'Y,SUCTION

Выбрано товаров: 25