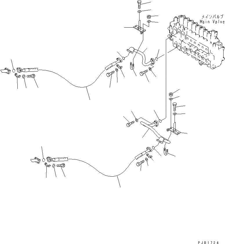
Запчасти Komatsu PC200LC-6S НАВЕСНОЕ ОБОРУД-Е (2-СЕКЦИОНН. СТРЕЛА) ГИДРАВЛИКА

Схема запчастей Komatsu PC200LC-6S - НАВЕСНОЕ ОБОРУД-Е (2-СЕКЦИОНН. СТРЕЛА) ГИДРАВЛИКА
1
1
2
2
3
3
4
5
6
6
7
7
8
8
9
9
10
10
11
11
12
12
13
13
13
13
14
14
14
14
15
15
15
15
16
16
16
16
FIT
1:1
100%

Артикул

Название

Примечание

Количество

1

20Y-966-2742

BRACKET

2

01010-81035

BOLT

|2

01010-51035

BOLT

3

01643-31032

WASHER

4

20Y-966-2651

TUBE

5

20Y-966-2661

TUBE

6

21T-09-11460

O-RING

7

07372-21040

BOLT

8

01643-51032

WASHER

9

07283-22738

CLIP

10

01599-01011

NUT

11

01643-31032

WASHER

12

07074-00610

HOSE

13

07000-13025

O-RING

14

07371-30640

FLANGE

15

07372-21035

BOLT

16

01643-51032

WASHER

Выбрано товаров: 17