Запчасти Komatsu PC200LC-6Z ОСНОВН. КЛАПАН (СОЕДИНИТЕЛЬН. ЧАСТИ) ( АКТУАТОР)(№997-) ГИДРАВЛИКА

Схема запчастей Komatsu PC200LC-6Z - ОСНОВН. КЛАПАН (СОЕДИНИТЕЛЬН. ЧАСТИ) ( АКТУАТОР)(№997-) ГИДРАВЛИКА
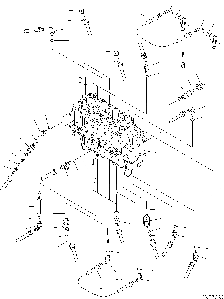
1
2
2
3
3
4
4
5
5
5
5
5
5
5
6
6
6
6
6
6
6
6
6
7
8
9
10
11
12
13
14
15
16
17
18
19
20
21
22
23
24
25
26
27
27
28
28
28
28
29
29
30
30
30
30
30
30
FIT
1:1
100%

Артикул

Название

Примечание

Количество

1

723-47-13307

VALVE ASS'Y

1

723-47-13306

VALVE ASS'Y

1

723-47-13305

VALVE ASS'Y

1

723-47-13304

VALVE ASS'Y

2

20Y-62-22271

ELBOW

3

201-60-11390

O-RING

4

20Y-62-19560

O-RING

5

07235-10210

ELBOW

6

07002-11423

O-RING

7

208-62-17550

TEE

8

07002-11423

O-RING

9

20Y-62-27680

ADAPTER

10

07002-11423

O-RING

11

07235-10210

ELBOW

12

07002-11423

O-RING

13

20F-61-12460

ELBOW

13

20Y-62-23541

ELBOW

14

07002-11423

O-RING

|$19

20Y-60-22190

VALVE ASS'Y

|$20

20Y-60-22261

VALVE ASS'Y

15

BODY

16

20Y-60-22270

POPPET

17

701-20-61230

SPRING

18

20Y-60-22440

NIPPLE

18

07230-20210

UNION

19

07002-11423

O-RING

20

07002-11423

O-RING

21

208-62-17550

TEE

22

07002-11423

O-RING

23

20Y-62-22160

ADAPTER

24

07002-11423

O-RING

25

07235-10210

ELBOW

26

07002-11423

O-RING

27

07096-00204

HOSE

28

07235-10210

ELBOW

29

20F-61-12460

ELBOW

30

07002-11423

O-RING

Выбрано товаров: 37