Запчасти Komatsu PC200LC-6Z НАВЕСНОЕ ОБОРУД-Е (ГИДРОМОЛОТ) (ВОЗВРАТ. ЛИНИЯ)(№9-) ГИДРАВЛИКА

Схема запчастей Komatsu PC200LC-6Z - НАВЕСНОЕ ОБОРУД-Е (ГИДРОМОЛОТ) (ВОЗВРАТ. ЛИНИЯ)(№9-) ГИДРАВЛИКА
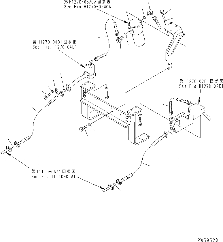
1
2
3
4
5
6
7
8
9
10
11
12
12
13
13
13
13
14
15
16
FIT
1:1
100%

Артикул

Название

Примечание

Количество

1

20Y-970-2240

ELBOW

2

07002-14234

O-RING

3

20Y-62-25212

BRACKET

4

01010-81235

BOLT

5

01643-31232

WASHER

6

20Y-970-2240

ELBOW

7

07002-14234

O-RING

8

01010-81650

BOLT

9

01643-31645

WASHER

10

07108-20604

HOSE

10

07102-20604

HOSE

11

07102-21003

HOSE

12

07099-21012

HOSE

13

21T-09-11460

O-RING

14

07371-31049

FLANGE

15

07372-21035

BOLT

16

01643-51032

WASHER

Выбрано товаров: 17