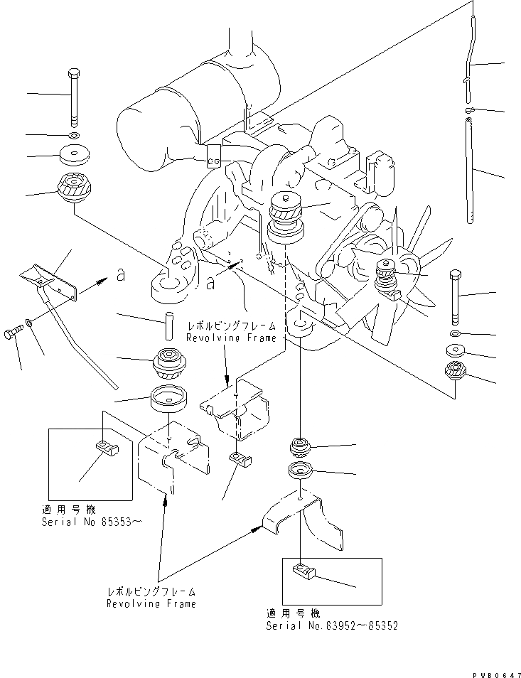
Запчасти Komatsu PC200LC-6Z КРЕПЛЕНИЕ ДВИГАТЕЛЯ(№89-98) КОМПОНЕНТЫ ДВИГАТЕЛЯ

Схема запчастей Komatsu PC200LC-6Z - КРЕПЛЕНИЕ ДВИГАТЕЛЯ(№89-98) КОМПОНЕНТЫ ДВИГАТЕЛЯ
1
1
1
2
3
4
4
5
5
6
6
6
7
8
9
10
11
12
13
14
15
16
17
18
19
FIT
1:1
100%

Артикул

Название

Примечание

Количество

1

20Y-01-12210

CUSHION

2

20Y-01-12140

STOPPER

3

20Y-01-11141

WASHER

4

20Y-01-22111

NUT

4

20Y-01-22111

NUT

5

20Y-01-12150

NUT

5

20Y-01-12150

NUT

6

20Y-01-12221

CUSHION

7

20Y-01-12160

STOPPER

8

20Y-01-12180

WASHER

9

20Y-01-12280

BOLT

10

20Y-01-12250

SPACER

11

01643-31645

WASHER

12

20Y-01-12270

BOLT

13

01643-31645

WASHER

14

20Y-01-21722

GUIDE

14

20Y-01-21721

COVER

15

01010-51025

BOLT

16

01643-31032

WASHER

17

6209-11-5480

TUBE

18

07260-20950

HOSE

19

07285-00155

CLIP

Выбрано товаров: 22