Запчасти Komatsu PC200LC-6Z ГУСЕНИЧНАЯ РАМА(№8-98) ХОДОВАЯ

Схема запчастей Komatsu PC200LC-6Z - ГУСЕНИЧНАЯ РАМА(№8-98) ХОДОВАЯ
FIT
1:1
100%

Артикул

Название

Примечание

Количество

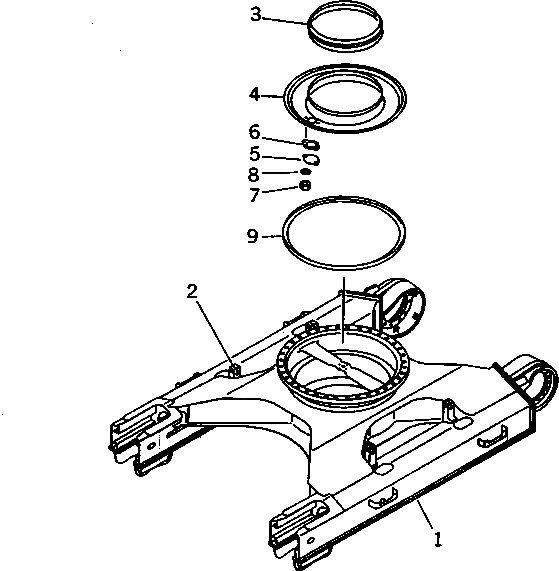
1

20Y-30-24120

FRAME,TRACK

2

20Y-30-11720

PLATE (WELDED)

3

205-30-71171

SEAL

4

20Y-30-21150

COVER

5

205-30-71181

COVER

6

205-30-71191

GASKET

7

01580-11008

NUT

8

01643-31032

WASHER

9

20Y-30-11370

SEAL

Выбрано товаров: 0