Запчасти Komatsu PC200LC-6Z НАСОС СМАЗКИ (ЭЛЕКТРИЧ. ТИП)(№9-) РАЗНОЕ

Схема запчастей Komatsu PC200LC-6Z - НАСОС СМАЗКИ (ЭЛЕКТРИЧ. ТИП)(№9-) РАЗНОЕ
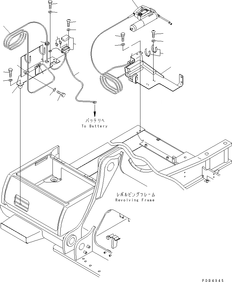
1
2
3
4
5
6
7
8
8
9
10
11
12
13
14
15
16
17
18
19
20
21
22
23
FIT
1:1
100%

Артикул

Название

Примечание

Количество

1

208-98-31211

PUMP ASS'Y

2

208-54-31280

CLAMP

3

01220-40616

SCREW

4

01641-20608

WASHER

5

20Y-54-23911

BRACKET

6

01010-81235

BOLT

7

01643-31032

WASHER

8

20Y-06-24320

BAND

9

20Y-54-23921

BRACKET

10

01010-81270

BOLT

11

01643-31232

WASHER

12

208-06-31140

WIRING HARNESS

13

207-06-51220

WIRING HARNESS

14

205-06-71480

FUSE BOX

15

22W-06-13160

FUSE, 20A

16

01220-40620

SCREW

17

01643-30623

WASHER

18

01010-80610

BOLT

19

01643-30623

WASHER

20

08036-21214

CLIP

21

01010-81220

BOLT

22

01643-31232

WASHER

23

08037-02512

GROMMET

Выбрано товаров: 0