Запчасти Komatsu PC200LC-7 УПРАВЛЯЮЩ. КЛАПАН (7/)(№89-) ОСНОВН. КОМПОНЕНТЫ И РЕМКОМПЛЕКТЫ

Схема запчастей Komatsu PC200LC-7 - УПРАВЛЯЮЩ. КЛАПАН (7/)(№89-) ОСНОВН. КОМПОНЕНТЫ И РЕМКОМПЛЕКТЫ
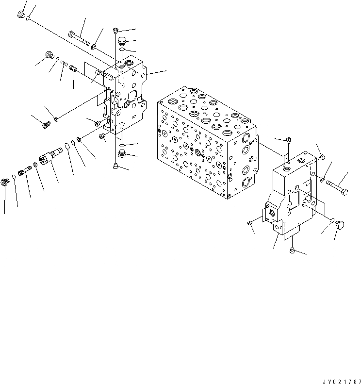
1
2
2
2
2
3
4
5
5
5
5
6
6
6
7
7
7
8
9
10
11
12
13
14
15
16
17
18
19
20
21
22
23
24
25
25
26
FIT
1:1
100%

Артикул

Название

Примечание

Количество

|$1

723-46-20404

VALVE ASS'Y

|$3

723-46-00630

COVER ASS'Y

1

COVER

2

PLUG

3

PLUG

|$7

723-46-00742

COVER ASS'Y

4

COVER

5

PLUG

6

708-8E-16250

PLUG

7

07002-11823

O-RING

8

708-8H-11530

PLUG

9

07002-11423

O-RING

|$14

723-46-17600

PLUG ASS'Y

10

723-46-17610

SLEEVE

11

723-46-17640

PLUG

12

702-21-55760

FILTER

13

07002-11423

O-RING

14

07000-11007

O-RING

15

07001-01007

RING,BACK-UP

16

708-8E-16160

PLUG

17

07002-11023

O-RING

18

723-40-82220

FILTER

19

723-46-17550

PLUG

20

723-46-15190

VALVE

21

723-46-14140

SPRING

22

708-8E-16160

PLUG

23

07002-11023

O-RING

24

01010-61490

BOLT

25

01643-31445

WASHER

26

01010-61490

BOLT

Выбрано товаров: 30