Запчасти Komatsu PC200LC-7B ОСНОВН. КОНСТРУКЦИЯ (ПОДОГРЕВ. ШЛАНГИ И КРЕПЛЕНИЕ) КАБИНА ОПЕРАТОРА И СИСТЕМА УПРАВЛЕНИЯ

Схема запчастей Komatsu PC200LC-7B - ОСНОВН. КОНСТРУКЦИЯ (ПОДОГРЕВ. ШЛАНГИ И КРЕПЛЕНИЕ) КАБИНА ОПЕРАТОРА И СИСТЕМА УПРАВЛЕНИЯ
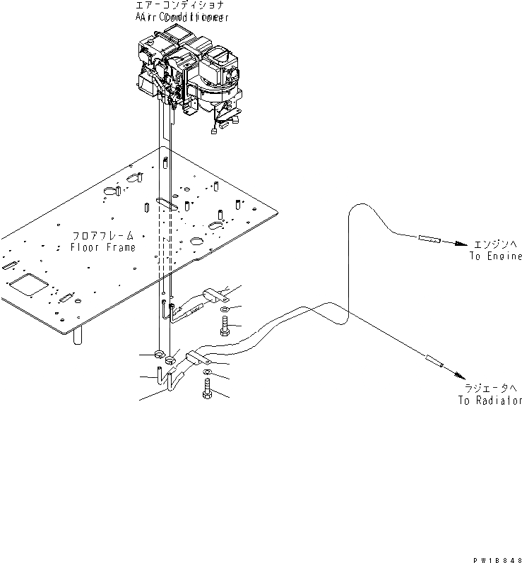
1
2
3
3
4
5
6
7
8
9
FIT
1:1
100%

Артикул

Название

Примечание

Количество

1

20Y-979-6690

HOSE ASS'Y

2

20Y-979-6710

HOSE ASS'Y

3

09480-10100

CLAMP

4

141-06-11220

CLIP

5

01010-81016

BOLT

6

01643-31032

WASHER

7

141-06-11220

CLIP

8

01010-81016

BOLT

|8

01010-81020

BOLT

9

01643-31032

WASHER

Выбрано товаров: 10