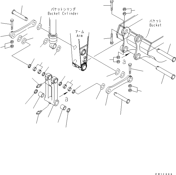
Запчасти Komatsu PC200LC-7B РУКОЯТЬ (.9M) (СОЕДИНЕНИЕ КОВША) (С ДОПОЛН. ГИДРОЛИНИЕЙ) РАБОЧЕЕ ОБОРУДОВАНИЕ

Схема запчастей Komatsu PC200LC-7B - РУКОЯТЬ (.9M) (СОЕДИНЕНИЕ КОВША) (С ДОПОЛН. ГИДРОЛИНИЕЙ) РАБОЧЕЕ ОБОРУДОВАНИЕ
1
2
2
3
3
4
4
5
5
5
5
6
6
7
7
8
9
10
11
11
12
13
14
15
16
16
16
16
17
18
19
20
21
22
23
FIT
1:1
100%

Артикул

Название

Примечание

Количество

1

20Y-70-33121

LINK

2

20Y-70-32351

BUSHING

3

20Y-70-32361

BUSHING

4

07020-00000

FITTING

5

20Y-70-23220

SEAL

6

20Y-70-23230

SEAL

7

205-70-73130

LINK

8

205-70-73160

PIN

9

205-70-73190

BOLT

10

01580-12016

NUT

11

20Y-70-31450

SPACER¤ 1.0MM

12

20Y-70-31460

SPACER¤ 2.0MM

13

22U-70-21190

PIN

14

205-70-73190

BOLT

15

01580-12016

NUT

16

20Y-70-31440

SPACER¤ 1.0MM

17

20Y-70-31480

SPACER¤ 2.0MM

18

205-70-73270

PIN

19

205-70-73190

BOLT

20

01580-12016

NUT

21

205-70-73270

PIN

22

362-46-11210

BOLT

23

01580-12016

NUT

Выбрано товаров: 23