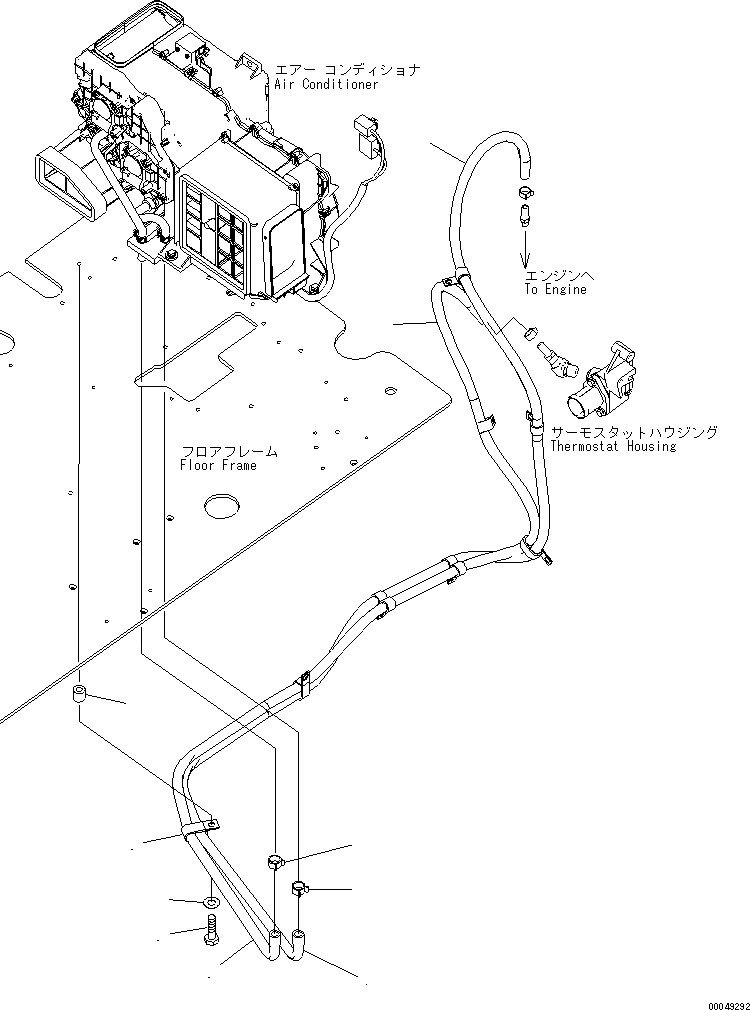
Запчасти Komatsu PC200LC-8 КАБИНА (ПОЛ) (ШЛАНГИ ОБОГРЕВАТЕЛЯ) (С ОБОГРЕВ-ЛЕМ) КАБИНА ОПЕРАТОРА И СИСТЕМА УПРАВЛЕНИЯ

Схема запчастей Komatsu PC200LC-8 - КАБИНА (ПОЛ) (ШЛАНГИ ОБОГРЕВАТЕЛЯ) (С ОБОГРЕВ-ЛЕМ) КАБИНА ОПЕРАТОРА И СИСТЕМА УПРАВЛЕНИЯ
1
1
2
3
3
4
5
6
7
8
FIT
1:1
100%

Артикул

Название

Примечание

Количество

1

20Y-810-1332

HOSE ASS'Y

1

20Y-810-1331

HOSE ASS'Y

2

09479-02400

CLAMP

3

20Y-810-1342

HOSE ASS'Y

3

20Y-810-1341

HOSE ASS'Y

4

09479-02400

CLAMP

5

195-33-11220

SPACER

6

01010-81045

BOLT

7

01643-31032

WASHER

8

141-06-11220

CLIP

Выбрано товаров: 10