Запчасти Komatsu PC200LC-8 ОСНОВН. НАСОС (/) ОСНОВН. КОМПОНЕНТЫ И РЕМКОМПЛЕКТЫ

Схема запчастей Komatsu PC200LC-8 - ОСНОВН. НАСОС (/) ОСНОВН. КОМПОНЕНТЫ И РЕМКОМПЛЕКТЫ
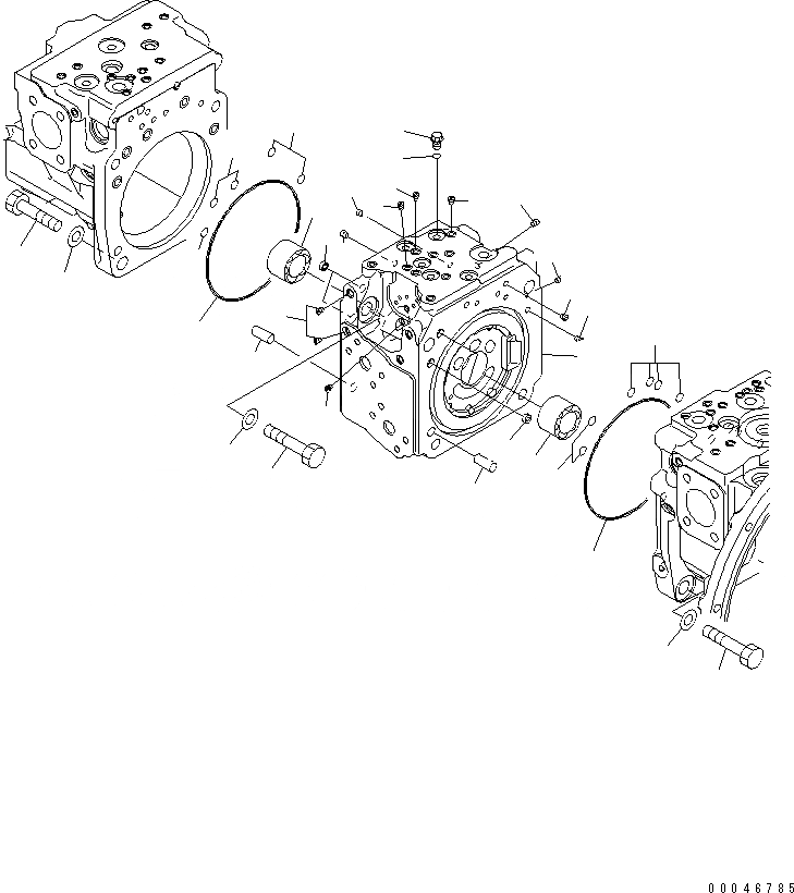
1
2
2
2
2
2
2
2
2
2
3
3
4
4
5
5
6
6
6
6
6
7
7
8
8
8
9
9
9
10
11
12
12
FIT
1:1
100%

Артикул

Название

Примечание

Количество

|$2

708-2L-00501

PUMP ASS'Y,(SEE FIG. Y1600-01A0)

|$3

708-2L-00500

PUMP ASS'Y,(SEE FIG. Y1600-01A0)

|$5

708-2L-01500

PUMP SUB ASS'Y,(SEE FIG. Y1600-01A0)

|$6

708-2L-06450

CAP ASS'Y,END

1

CAP,END

2

PLUG

3

708-2L-32260

BEARING

4

07000-A5165

O-RING

5

04020-01228

PIN,DOWEL

6

07000-B2012

O-RING

7

708-2L-25480

FILTER

8

01010-61655

BOLT

9

01643-31645

WASHER

10

708-8E-16150

PLUG

11

07002-61023

O-RING

12

708-1L-29340

ORIFICE

Выбрано товаров: 16