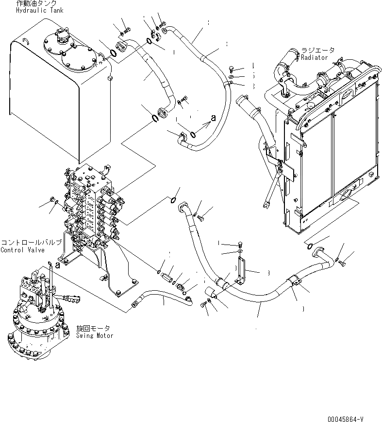
Запчасти Komatsu PC200LC-8 ВОЗВРАТНАЯ ЛИНИЯ(ДЛЯ -АКТУАТОР) ГИДРАВЛИКА

Схема запчастей Komatsu PC200LC-8 - ВОЗВРАТНАЯ ЛИНИЯ(ДЛЯ -АКТУАТОР) ГИДРАВЛИКА
1
2
2
3
4
5
6
7
7
8
9
10
10
11
12
13
14
15
16
17
18
19
20
21
22
23
23
24
25
26
27
28
29
29
30
30
31
32
33
33
34
35
FIT
1:1
100%

Артикул

Название

Примечание

Количество

1

206-62-21181

HOSE

2

07000-13048

O-RING

3

01010-81240

BOLT

4

01643-31232

WASHER

5

01010-81240

BOLT

6

01643-31232

WASHER

7

22U-62-21551

CLAMP

8

01010-81225

BOLT

9

01643-31232

WASHER

10

07095-01245

CUSHION

11

203-62-61410

JOINT

12

07002-12434

O-RING

13

02783-10628

ELBOW

14

07002-12434

O-RING

15

02896-11018

O-RING

16

02753-00608

HOSE

16

02753-006A7

HOSE

17

07040-12412

PLUG

18

07002-12434

O-RING

19

20Y-62-51450

BRACKET

20

01010-81225

BOLT

21

01643-31232

WASHER

22

20Y-62-51251

HOSE

23

07000-13048

O-RING

24

01010-81240

BOLT

25

01643-31232

WASHER

26

01010-81235

BOLT

27

01643-31232

WASHER

28

20Y-62-51332

HOSE

29

07000-13032

O-RING

30

07371-31049

FLANGE

31

07372-21035

BOLT

32

01643-51032

WASHER

33

281-01-13180

CLIP

34

01010-81225

BOLT

35

01643-31232

WASHER

Выбрано товаров: 36