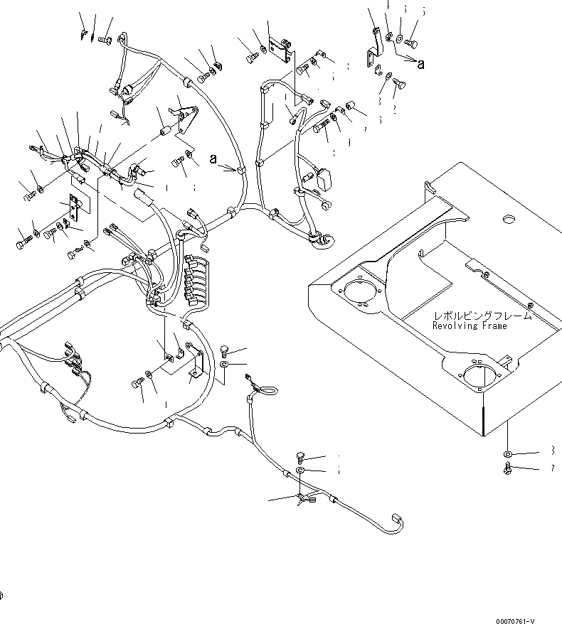
Запчасти Komatsu PC200LC-8 ЭЛЕКТРИЧ. ЭЛЕКТРОПРОВОДКА (ДВИГАТЕЛЬ)(№-) ЭЛЕКТРИКА

Схема запчастей Komatsu PC200LC-8 - ЭЛЕКТРИЧ. ЭЛЕКТРОПРОВОДКА (ДВИГАТЕЛЬ)(№-) ЭЛЕКТРИКА
1
2
3
4
5
6
7
8
9
10
11
12
13
14
15
16
17
18
19
20
21
22
23
24
25
26
26
26
26
27
28
29
30
31
32
33
34
35
36
37
38
39
40
40
41
42
42
43
44
45
46
47
48
49
50
51
52
53
54
55
56
57
58
FIT
1:1
100%

Артикул

Название

Примечание

Количество

1

08057-12012

CLIP

2

01010-81225

BOLT

3

01643-31232

WASHER

4

20Y-06-42520

BRACKET

5

01010-81225

BOLT

6

01643-31232

WASHER

7

08057-12012

CLIP

8

08057-12012

CLIP

9

01010-81225

BOLT

10

01643-31232

WASHER

11

20Y-04-31120

BRACKET

12

01010-81225

BOLT

13

01643-31232

WASHER

14

08057-12012

CLIP

15

01010-81225

BOLT

16

01643-31232

WASHER

17

08057-12012

CLIP

18

01010-81225

BOLT

19

01643-31232

WASHER

20

08057-12012

CLIP

21

01010-81225

BOLT

22

01643-31232

WASHER

23

04434-51012

CLIP

24

01010-81225

BOLT

25

01643-31232

WASHER

26

08034-20536

BAND

27

01010-81020

BOLT

28

01643-31032

WASHER

29

08038-12027

CAP

30

20Y-54-76421

BRACKET

31

01010-81225

BOLT

32

01643-31232

WASHER

33

08057-12012

CLIP

34

01010-81225

BOLT

35

01643-31232

WASHER

36

195-33-11220

SPACER

37

08057-12012

CLIP

38

01010-81260

BOLT

39

01643-31232

WASHER

40

20Y-06-41351

CABLE

41

08038-12027

CAP

42

20Y-06-41361

WIRE HARNESS

43

04434-51412

CLIP

44

04434-51012

CLIP

45

20Y-06-41791

BRACKET

46

01010-81230

BOLT

47

01643-31232

WASHER

48

20Y-03-11220

COLLAR

49

01010-81265

BOLT

50

01643-31232

WASHER

51

04434-51412

CLIP

52

04434-51012

CLIP

53

01010-81230

BOLT

54

01643-31232

WASHER

55

20Y-06-41770

CABLE

56

20Y-06-41720

BRACKET

57

01010-81265

BOLT

58

01643-31232

WASHER

Выбрано товаров: 58