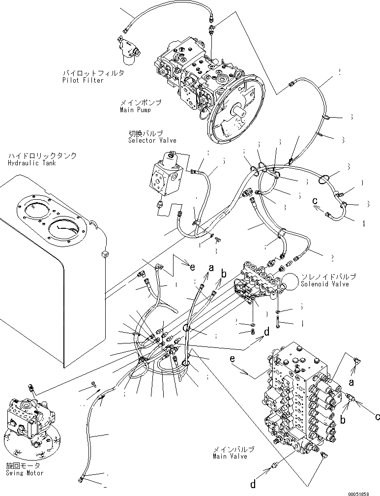
Запчасти Komatsu PC200LC-8 СОЛЕНОИДНЫЙ КЛАПАН КОНТУР (СОЛЕНОИДНЫЙ КЛАПАН ТРУБЫ) (ДЛЯ -АКТУАТОР)(№-) ГИДРАВЛИКА

Схема запчастей Komatsu PC200LC-8 - СОЛЕНОИДНЫЙ КЛАПАН КОНТУР (СОЛЕНОИДНЫЙ КЛАПАН ТРУБЫ) (ДЛЯ -АКТУАТОР)(№-) ГИДРАВЛИКА
1
1
2
2
3
3
4
4
5
5
6
7
7
8
8
9
9
10
10
11
11
12
12
13
13
14
15
16
16
16
16
16
16
16
16
16
16
16
16
16
17
18
19
20
21
22
23
23
24
24
25
25
26
27
28
29
30
31
FIT
1:1
100%

Артикул

Название

Примечание

Количество

1

208-62-72310

HOSE, 950MM

2

20Y-62-22790

BAND, RED

3

20Y-62-22810

BAND, YELLOW

4

20Y-62-51930

HOSE, 650MM

5

20Y-62-51940

HOSE, 1350MM

6

20Y-62-51993

HOSE, 600MM

7

20Y-62-51910

HOSE, 400MM

8

20Y-62-51260

HOSE, 1200MM

9

20Y-62-22860

BAND, BROWN

10

20Y-62-51960

HOSE, 700MM

11

20Y-62-22810

BAND, YELLOW

12

20Y-62-52121

HOSE, 1800MM

13

208-62-72480

HOSE, 1080MM

14

01010-81085

BOLT

15

01643-31032

WASHER

16

08034-20536

BAND

17

04434-51010

CLIP

18

01010-81020

BOLT

19

01643-31032

WASHER

20

04434-51512

CLIP

21

01010-81225

BOLT

22

01643-31232

WASHER

23

20Y-62-22820

BAND, BLUE

24

02760-00219

HOSE, 1900MM

25

02760-00218

HOSE

26

20Y-62-51930

HOSE, 650MM

27

04434-51212

CLIP

28

01010-81225

BOLT

29

01643-31232

WASHER

30

04434-52212

CLIP

31

04434-51012

CLIP

Выбрано товаров: 31