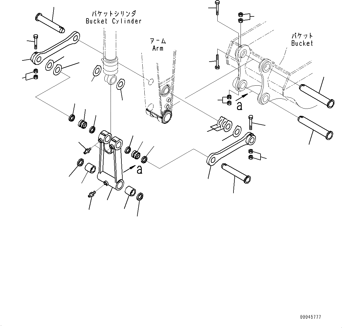
Запчасти Komatsu PC200LC-8 РУКОЯТЬ, СОЕДИНЕНИЕ КОВША (№-) РУКОЯТЬ, .9M, ЧАС. СИСТ. СМАЗКИ ТИП

Схема запчастей Komatsu PC200LC-8 - РУКОЯТЬ, СОЕДИНЕНИЕ КОВША (№-) РУКОЯТЬ, .9M, ЧАС. СИСТ. СМАЗКИ ТИП
18
18
6
6
16
15
20
24
22
11
10
19
21
23
9
14
17
12
8
8
7
7
6
6
5
4
3
3
1
18
2
2
13
FIT
1:1
100%

Артикул

Название

Примечание

Количество

|$0

20Y-70-01180

Link Assembly

1

Link

2

205-70-73180

Bushing

3

21K-70-12161

Bushing

4

07020-00000

Fitting, Grease

5

07020-00000

Fitting, Grease

6

20Y-70-23220

Seal, Dust

7

20Y-70-23230

Seal, Dust

8

205-70-73130

Link

9

22U-70-21191

Pin

10

20Y-70-32450

Bolt

11

01580-12016

Nut

12

20Y-70-11320

Spacer, T=0.8mm

13

20Y-70-11330

Spacer, T=1.5mm

14

22U-70-21191

Pin

15

20Y-70-32450

Bolt

16

01580-12016

Nut

17

20Y-70-11320

Spacer, T=0.8mm

18

20Y-70-11330

Spacer, T=1.5mm

19

205-70-73270

Pin

20

20Y-70-32450

Bolt

21

01580-12016

Nut

22

205-70-73270

Pin

23

20Y-70-32460

Bolt

24

01580-12016

Nut

Выбрано товаров: 25