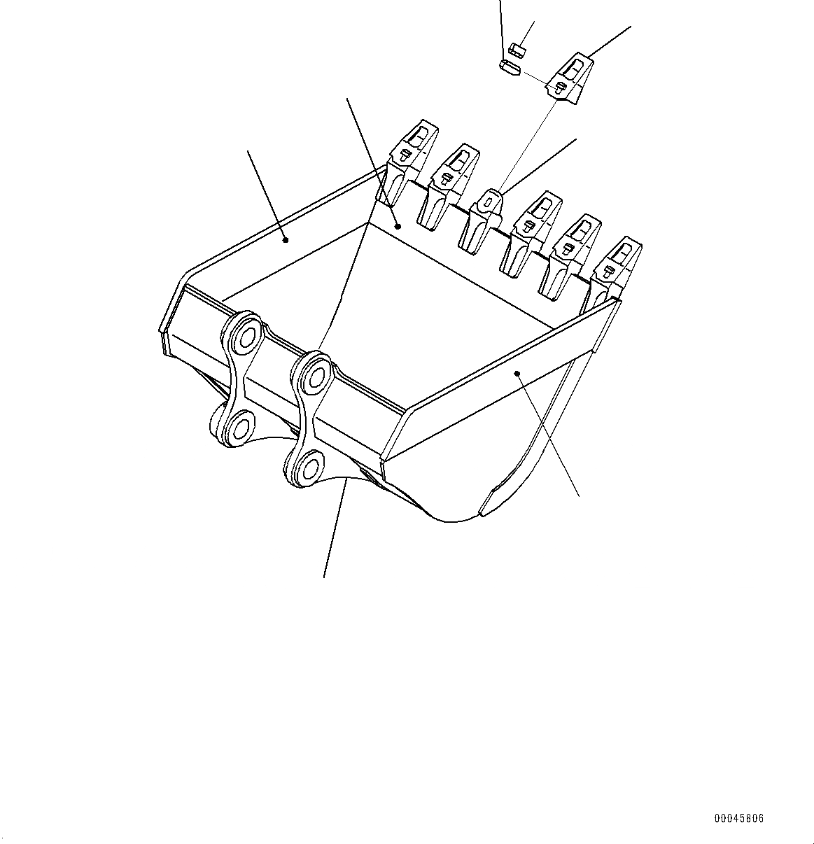
Запчасти Komatsu PC200LC-8 КОВШ (№-) КОВШ, .7M, MM ШИР., ВЕРТИКАЛЬН. ПАЛЕЦ

Схема запчастей Komatsu PC200LC-8 - КОВШ (№-) КОВШ, .7M, MM ШИР., ВЕРТИКАЛЬН. ПАЛЕЦ
8
6
2
5
4
3
1
7
FIT
1:1
100%

Артикул

Название

Примечание

Количество

1

20Y-920-3410

Bucket

2

20Y-70-24210

Adapter,Welded

3

20Y-920-3420

Plate,Welded

4

20Y-920-3C30

Plate,Welded

5

20Y-920-3C40

Plate,Welded

6

205-70-74272

Tooth

7

205-70-74282

Pin

8

205-70-74291

Lock

Выбрано товаров: 8