Запчасти Komatsu PC200LC-8 ДЕМПФЕР, (/) (№-) ДЕМПФЕР

Схема запчастей Komatsu PC200LC-8 - ДЕМПФЕР, (/) (№-) ДЕМПФЕР
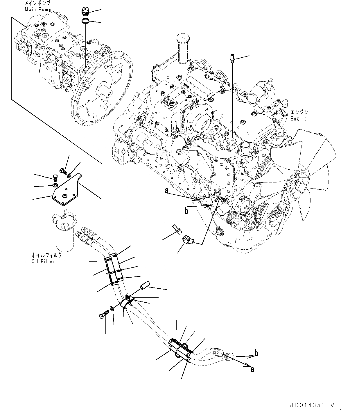
1
4
2
3
5
8
7
7
6
6
9
11
11
16
15
17
17
18
18
18
18
17
17
18
18
18
18
10
13
12
14
FIT
1:1
100%

Артикул

Название

Примечание

Количество

1

20Y-62-51433

Plate

2

01010-80825

Bolt

3

01643-30823

Washer

4

01010-81230

Bolt

5

01643-31232

Washer

6

198-06-53630

Cushion

7

04434-53412

Clip

8

195-979-5190

Collar

9

01010-81275

Bolt

10

01643-31232

Washer

11

08034-20536

Band

12

20Y-810-1120

Nipple

13

20Y-810-1161

Elbow

14

22U-979-1930

Nipple

15

07030-03034

Breather

16

07005-03016

Seal, Washer

17

20Y-01-41250

Cover

18

08034-20536

Band

Выбрано товаров: 0