Качественные детали и логистика
Оригинальные и аналоговые запчасти с доставкой по России, Казахстану и Беларуси
©2022 PartSell ООО "Система" ИНН 2463123282 ОГРН 1212400004838
Центральный офис: г. Красноярск, Академика Киренского, д.87, пом.4
Телефон: 8 (800) 777-65-74 Email: zakaz@partsell.ru
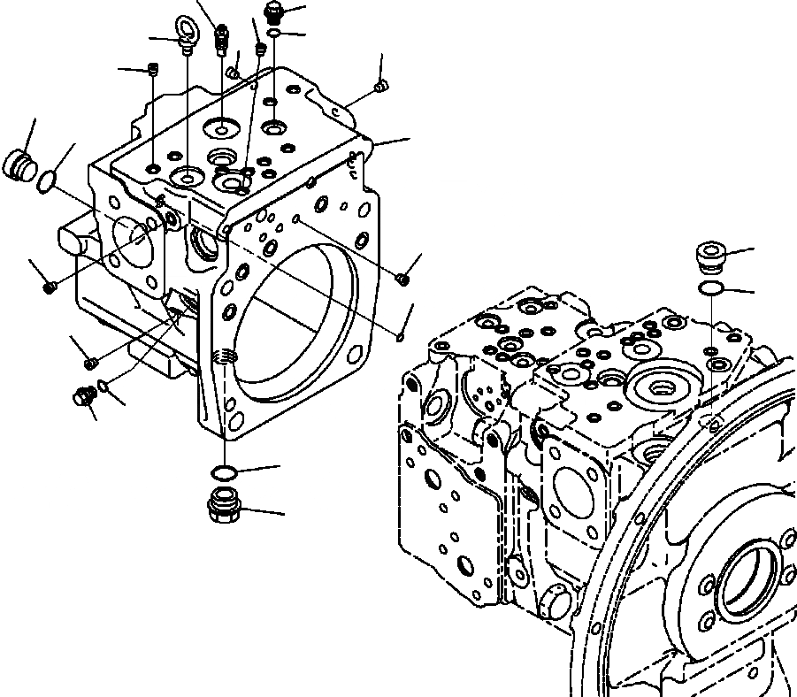
H-A ОСНОВН. НАСОС ЗАДН. КОРПУС
№
Артикул
Название
Примечание
Количество
|$2
708-2L-06460
CASE ASSEMBLY, REAR
1
NSS
CASE, REAR
2
PLUG
3
07000-B1009
O-RING
4
07044-12412
PLUG, WITH MAGNET
5
07002-62434
6
04530-11222
BOLT, EYE
7
20B-27-11210
BLEEDER
8
708-8E-16150
9
07002-61023
10
07040-12414
11
Выбрано товаров: 0