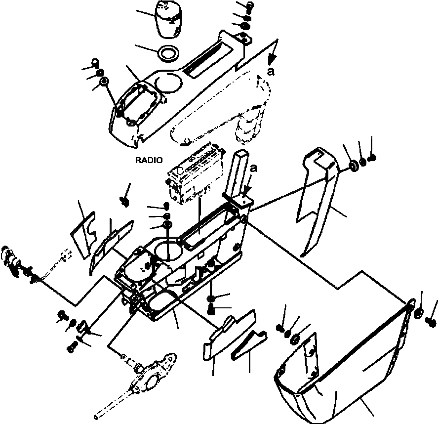
Запчасти Komatsu PC200LC-8 K-A КАБИНА ЛЕВ. КОНСОЛЬ OPERATOR\XD S ОБСТАНОВКА И СИСТЕМА УПРАВЛЕНИЯ

Схема запчастей Komatsu PC200LC-8 - K-A КАБИНА ЛЕВ. КОНСОЛЬ OPERATOR\XD S ОБСТАНОВКА И СИСТЕМА УПРАВЛЕНИЯ
14
28
15
16
27
9
14
9
15
16
23
24
25
26
7
12
10
22
13
16
21
3
20
18
2
19
21
20
1
4
21
6
5
8
11
17
FIT
1:1
100%

Артикул

Название

Примечание

Количество

1

20Y-43-41415

FRAME

2

01010-81030

BOLT

3

01643-31032

WASHER

4

20Y-43-41472

BRACKET

5

01010-80616

BOLT

6

01643-30623

WASHER

7

20Y-43-41621

SHEET

8

20Y-43-41641

SHEET

9

20Y-43-41423

COVER

10

20Y-43-41651

SHEET

11

20Y-43-41661

SHEET

12

01245-00616

SCREW, HEXAGON SOCKET HEAD

13

01643-70623

WASHER

14

01010-80616

BOLT

15

01643-30623

WASHER

16

20Y-43-41290

COLLAR

17

20Y-43-41442

COVER

18

01245-00616

SCREW, HEXAGON SOCKET HEAD

19

01643-70623

WASHER

20

01435-00612

BOLT

21

20Y-43-41290

COLLAR

22

20Y-43-41453

COVER

23

01245-00616

SCREW, HEXAGON SOCKET HEAD

24

01643-70623

WASHER

25

20Y-43-41290

COLLAR

26

22U-43-23260

CLIP

27

20Y-43-41970

SHEET

28

20Y-43-41491

ASHTRAY

Выбрано товаров: 28