Запчасти Komatsu PC200LC-8 K-7A КАБИНА ЛЕВ. ПОДЛОКОТНИК OPERATOR\XD S ОБСТАНОВКА И СИСТЕМА УПРАВЛЕНИЯ

Схема запчастей Komatsu PC200LC-8 - K-7A КАБИНА ЛЕВ. ПОДЛОКОТНИК OPERATOR\XD S ОБСТАНОВКА И СИСТЕМА УПРАВЛЕНИЯ
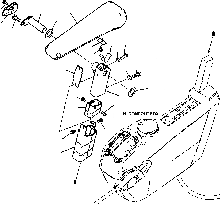
5
1
12
8
11
6
9
7
10
18
19
3
4
17
8
16
2
16
15
14
14
13
FIT
1:1
100%

Артикул

Название

Примечание

Количество

1

20Y-43-41143

ARMREST

2

20Y-43-41171

BRACKET

3

01252-80820

BOLT, HEXAGON SOCKET HEAD

4

01643-70823

WASHER, FLAT

5

20Y-43-41162

PIN

6

01435-40816

BOLT

7

20Y-43-41152

SPRING

8

437-40-26240

WASHER

9

01245-00620

SCREW, HEXAGON SOCKET HEAD

10

01580-40605

NUT

11

20Y-43-41181

CAP

12

01023-20512

SCREW

13

20Y-43-41191

COVER

14

01370-40510

SCREW

15

20Y-43-41591

COVER

16

01023-20512

SCREW

17

20Y-43-41281

RUBBER

18

20Y-43-41461

PLATE

19

01370-40610

SCREW

Выбрано товаров: 19