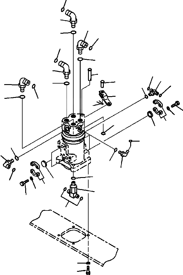
Запчасти Komatsu PC200LC-8 N-A ПОВОРОТНОЕ СОЕДИНЕНИЕ КРЕПЛЕНИЕ ПОВОРОТН. КРУГ И КОМПОНЕНТЫ

Схема запчастей Komatsu PC200LC-8 - N-A ПОВОРОТНОЕ СОЕДИНЕНИЕ КРЕПЛЕНИЕ ПОВОРОТН. КРУГ И КОМПОНЕНТЫ
19
7
7
8
19
19
8
7
21
18
5
23
18
8
6
7
20
8
19
24
10
11
22
9
12
17
15
1
4
3
2
12
16
9
13
11
10
14
26
25
FIT
1:1
100%

Артикул

Название

Примечание

Количество

1

02782-10522

ELBOW

2

07002-12434

O-RING

3

11Y-62-12160

ELBOW

4

07002-11423

O-RING

5

11Y-62-12250

TEE

6

07002-11423

O-RING

7

02782-10628

ELBOW

8

07002-12434

O-RING

9

07371-30640

FLANGE, SPLIT

10

07372-21035

BOLT

11

01643-51032

WASHER

12

707-88-33030

CAP

13

20Y-62-41930

TEE

14

02896-11012

O-RING

15

07002-12434

O-RING

16

02896-11015

O-RING

17

02896-11008

O-RING

18

02896-11008

O-RING

19

02896-11018

O-RING

20

22U-62-21583

BRACKET

21

22U-62-21870

PIN

22

22U-62-24420

PIN

23

04205-11648

PIN

24

04050-14028

PIN, COTTER

25

01010-81235

BOLT

26

01643-31232

WASHER

Выбрано товаров: 26