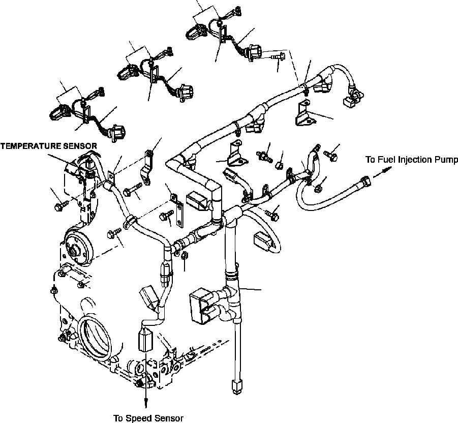
Запчасти Komatsu PC200LC-8 A-AA УПРАВЛ-Е ДВИГАТЕЛЕМ MODULE ЭЛЕКТРОПРОВОДКА ДВИГАТЕЛЬ

Схема запчастей Komatsu PC200LC-8 - A-AA УПРАВЛ-Е ДВИГАТЕЛЕМ MODULE ЭЛЕКТРОПРОВОДКА ДВИГАТЕЛЬ
3
1
3
13
1
2
3
5
1
2
12
18
2
6
8
7
20
11
12
10
15
21
14
19
16
17
9
4
FIT
1:1
100%

Артикул

Название

Примечание

Количество

1

6754-81-9210

WIRING HARNESS

2

6754-81-9220

CLIP, WIRE RETAINING

3

6754-81-9230

CLIP, WIRE RETAINING

4

6754-81-9310

HARNESS, ETR CONTROL MODULE WIRING

5

6732-21-4180

BOLT (M6-1.00x16)

6

6754-81-9320

BOLT

7

6754-81-9330

SPACER, MOUNTING

8

6216-74-6180

BOLT (M8-1.25x12)

9

01584-00605

NUT

10

6732-71-3210

NUT

11

6754-71-5330

CLIP

12

6754-81-9340

BRACKET

13

6754-81-9230

CLIP

14

6736-81-5110

BOLT

15

6754-81-9280

BRACKET

16

6732-21-3120

BOLT

17

6733-71-5680

BOLT (M6-1.00x12)

18

6754-81-9270

BRACKET

19

6754-81-9390

BOLT

20

04434-51308

CLIP

21

6216-74-6180

BOLT

Выбрано товаров: 21