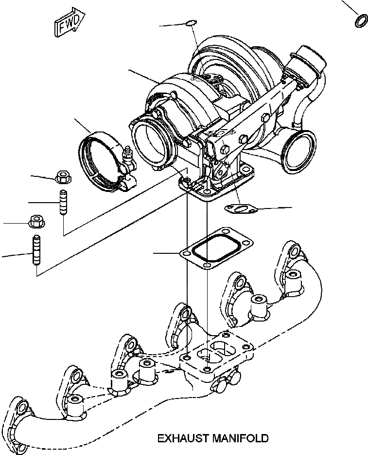
Запчасти Komatsu PC200LC-8 A-AD КРЕПЛЕНИЕ ТУРБОНАГНЕТАТЕЛЯ ДВИГАТЕЛЬ

Схема запчастей Komatsu PC200LC-8 - A-AD КРЕПЛЕНИЕ ТУРБОНАГНЕТАТЕЛЯ ДВИГАТЕЛЬ
7
8
4
9
3
1
5
3
6
2
FIT
1:1
100%

Артикул

Название

Примечание

Количество

1

6732-81-8810

STUD

2

6738-82-8810

STUD

3

6732-81-8820

NUT

|$3

6754-82-8010

TURBOCHARGER KIT

4

NSS

TURBOCHARGER

5

6754-51-8121

GASKET, OIL DRAIN

6

6754-81-8710

GASKET, TURBOCHARGER

7

6732-81-8860

SEAL, O-RING

8

6737-51-8770

SEAL, O-RING

9

6732-81-8220

CLAMP, V-BAND

Выбрано товаров: 10