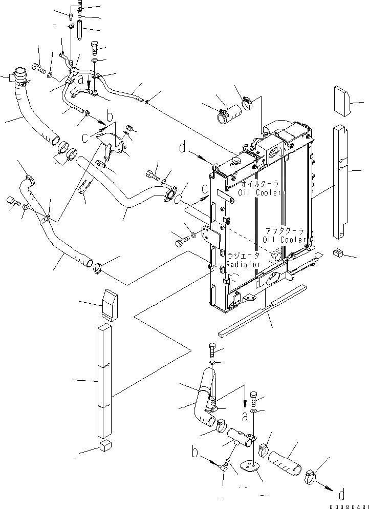
Запчасти Komatsu PC200LC-8E0 СИСТЕМА ОХЛАЖДЕНИЯ (ПОСЛЕОХЛАДИТЕЛЬ И СИСТЕМА ТРУБ РАДИАТОРА) СИСТЕМА ОХЛАЖДЕНИЯ

Схема запчастей Komatsu PC200LC-8E0 - СИСТЕМА ОХЛАЖДЕНИЯ (ПОСЛЕОХЛАДИТЕЛЬ И СИСТЕМА ТРУБ РАДИАТОРА) СИСТЕМА ОХЛАЖДЕНИЯ
1
1
2
3
4
5
6
7
8
8
9
10
10
11
12
13
14
15
16
17
18
19
20
21
22
23
23
24
25
25
26
27
28
29
30
31
31
32
33
34
35
36
37
38
39
40
41
42
43
43
44
45
46
47
48
49
50
51
51
52
53
54
55
FIT
1:1
100%

Артикул

Название

Примечание

Количество

1

206-03-21371

SHEET

2

205-03-33910

SHEET

3

205-03-33890

SHEET

4

20Y-03-41831

SHEET

5

205-03-33880

SHEET

6

205-03-34110

SHEET

7

205-03-33341

HOSE

8

21T-62-69711

CLAMP

9

205-03-33840

HOSE

10

21T-62-69711

CLAMP

11

205-03-33311

TUBE

12

07000-E2065

O-RING

13

01010-81030

BOLT

14

01643-31032

WASHER

15

205-03-33722

BRACKET

16

01010-81025

BOLT

17

01643-31032

WASHER

18

07283-36365

CLIP

19

01643-31032

WASHER

20

01597-01009

NUT

21

203-01-67560

SEAT

22

205-03-33330

HOSE

23

07289-00055

CLAMP

24

205-03-33131

HOSE

25

07289-00055

CLAMP

26

205-03-31271

TUBE

27

205-03-31280

BRACKET

28

01010-81025

BOLT

29

01643-31032

WASHER

30

205-03-33150

HOSE

31

07289-00055

CLAMP

32

23S-56-21150

CLIP

33

205-03-31311

BRACKET

34

01010-81025

BOLT

35

01643-31032

WASHER

36

04434-51612

CLIP

37

01010-81025

BOLT

38

01643-31032

WASHER

39

208-62-38370

CLIP

40

01010-81225

BOLT

41

01643-31232

WASHER

42

205-03-33221

HOSE

43

07281-00197

CLAMP

44

205-03-31330

CORE ASS'Y

45

205-03-31341

ELBOW

46

07002-11423

O-RING

47

205-03-31360

ELBOW

48

07002-11423

O-RING

49

205-03-31290

NIPPLE

50

205-03-31350

HOSE

51

07281-00197

CLAMP

52

04434-51612

CLIP

53

01010-81025

BOLT

54

01643-31032

WASHER

55

08034-20519

BAND

Выбрано товаров: 55