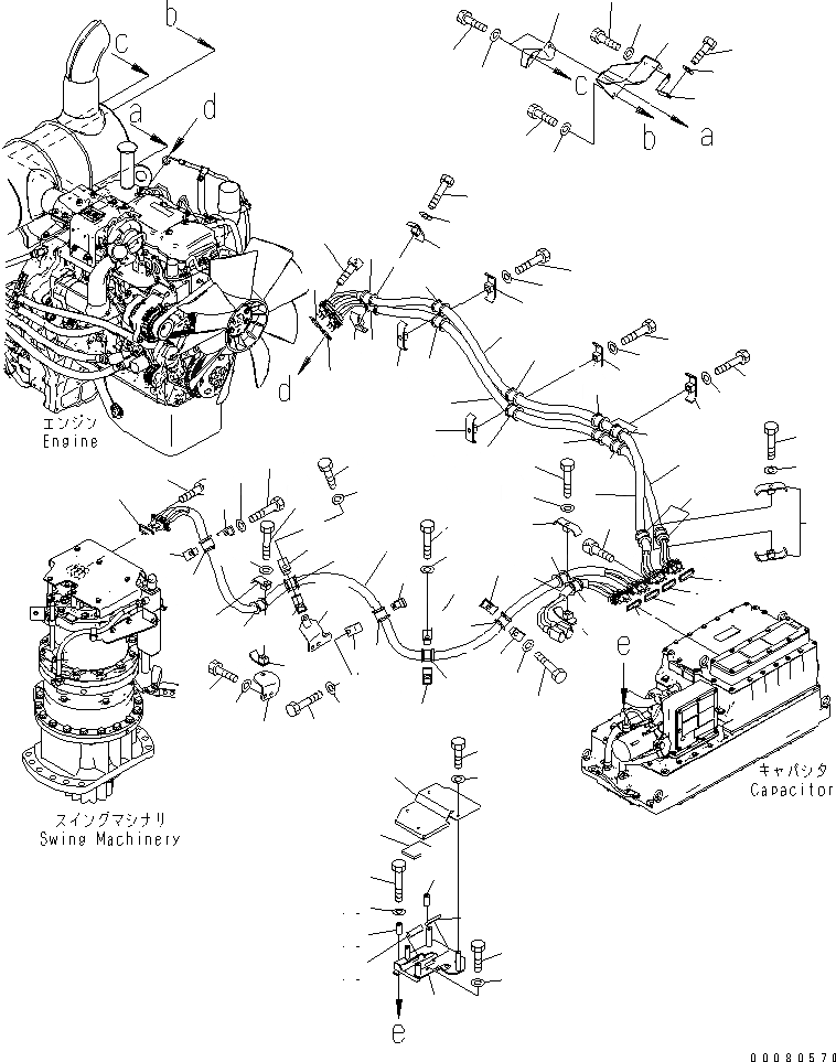
Запчасти Komatsu PC200LC-8E0 ЭЛЕКТРИЧ. ЭЛЕКТРОПРОВОДКА (POWER КАБЕЛЬ) ЭЛЕКТРИКА

Схема запчастей Komatsu PC200LC-8E0 - ЭЛЕКТРИЧ. ЭЛЕКТРОПРОВОДКА (POWER КАБЕЛЬ) ЭЛЕКТРИКА
1
2
2
3
3
4
4
5
5
6
6
7
8
9
9
9
9
9
9
9
9
9
10
10
10
10
10
10
10
10
10
11
11
11
12
12
12
13
13
14
14
15
16
16
16
16
17
18
19
20
21
22
23
23
23
23
23
23
23
23
23
23
23
23
24
24
24
24
24
24
25
25
25
25
25
25
26
26
26
26
26
26
27
27
27
28
29
30
31
32
33
33
33
34
34
34
35
36
37
38
39
40
40
41
42
43
43
44
45
FIT
1:1
100%

Артикул

Название

Примечание

Количество

1

7875-25-4101

WIRING HARNESS POWER

1

7875-25-4100

WIRING HARNESS

2

7875-17-6790

SEAL

3

7875-25-4201

WIRING HARNESS POWER

3

7875-25-4200

WIRING HARNESS

4

7875-17-6790

SEAL

5

7875-25-4301

WIRING HARNESS POWER

5

7875-25-4300

WIRING HARNESS

6

7875-17-6790

SEAL

7

7875-25-4401

WIRING HARNESS POWER

7

7875-25-4400

WIRING HARNESS

8

7875-17-6790

SEAL

9

07094-30620

CLAMP

10

07095-00630

CUSHION

11

01010-81270

BOLT

12

01643-31232

WASHER

13

01010-81280

BOLT

14

01643-31232

WASHER

15

07094-30620

CLAMP

16

07095-00630

CUSHION

17

01010-81250

BOLT

18

01643-31232

WASHER

19

205-06-31140

BRACKET

20

205-06-31150

BRACKET

21

01010-81225

BOLT

22

01643-31232

WASHER

23

07094-10620

CLAMP

24

07095-00630

CUSHION

25

01010-81270

BOLT

26

01643-31232

WASHER

27

01252-80616

BOLT

28

205-06-31280

BRACKET

29

01010-80820

BOLT

30

01643-30823

WASHER

31

205-54-31210

COVER

32

205-54-31220

COVER

33

01010-80820

BOLT

34

01643-30823

WASHER

35

205-06-31741

COVER

36

205-06-31770

SHEET

37

01010-80820

BOLT

38

01643-30823

WASHER

39

205-06-31730

BRACKET

40

205-06-31760

SHEET

41

01010-80820

BOLT

42

01643-30823

WASHER

43

207-62-32890

COLLAR

44

01010-80855

BOLT

45

01643-30823

WASHER

Выбрано товаров: 49