Запчасти Komatsu PC200LC-8E0 ДВИГАТЕЛЬ BUILT IN ГЕНЕРАТОР КОМПОНЕНТЫ ДВИГАТЕЛЯ

Схема запчастей Komatsu PC200LC-8E0 - ДВИГАТЕЛЬ BUILT IN ГЕНЕРАТОР КОМПОНЕНТЫ ДВИГАТЕЛЯ
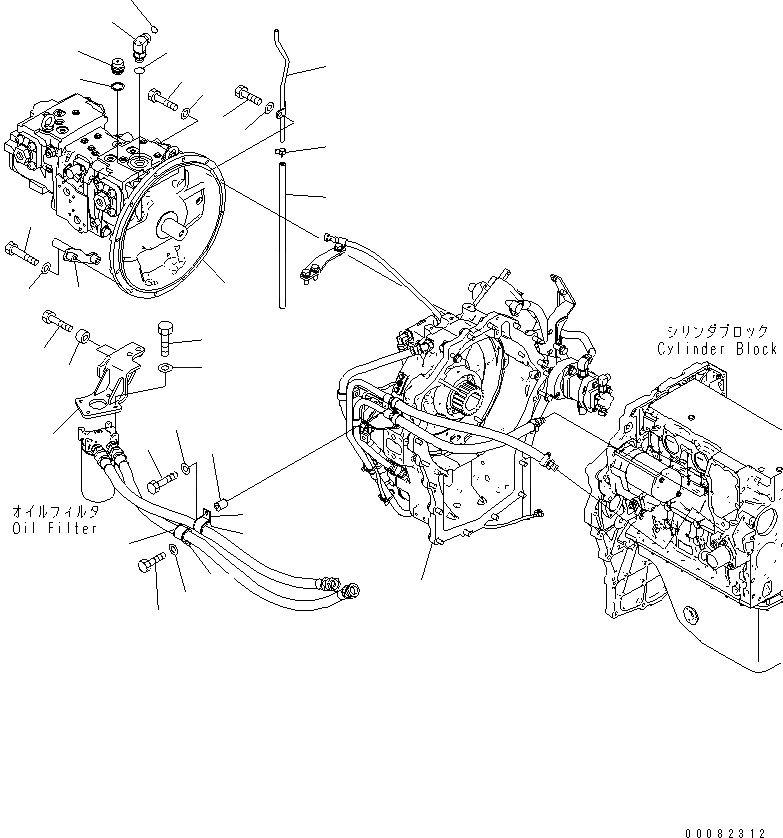
1
2
3
4
5
6
7
8
9
10
11
12
13
14
15
16
17
18
19
20
20
21
22
23
24
25
26
27
28
29
30
FIT
1:1
100%

Артикул

Название

Примечание

Количество

1

7875-10-1101

MOTOR ASS'Y

2

205-01-31120

TUBE

3

07260-20950

HOSE

4

07285-00155

CLIP

5

01010-81045

BOLT

6

01643-31032

WASHER

7

01010-81060

BOLT

8

01643-31032

WASHER

9

205-62-31380

BRACKET

10

01010-81070

BOLT

11

01643-31032

WASHER

12

02782-10628

ELBOW

13

02896-11018

O-RING

14

07002-12434

O-RING

15

205-01-31111

BRACKET

16

01010-80825

BOLT

17

01643-30823

WASHER

18

01010-81245

BOLT

19

6164-41-5390

SPACER

20

198-06-53630

CUSHION

21

04434-53412

CLIP

22

04434-53411

CLIP

23

205-01-31140

COLLAR

24

01010-81055

BOLT

25

01643-31032

WASHER

26

01010-81225

BOLT

27

01643-31232

WASHER

28

07030-03034

BREATHER

29

07005-03016

GASKET

30

708-2L-00500

PUMP ASS'Y

Выбрано товаров: 30