Запчасти Komatsu PC200LC-8E0 LS ЛИНИИ ГИДРАВЛИКА

Схема запчастей Komatsu PC200LC-8E0 - LS ЛИНИИ ГИДРАВЛИКА
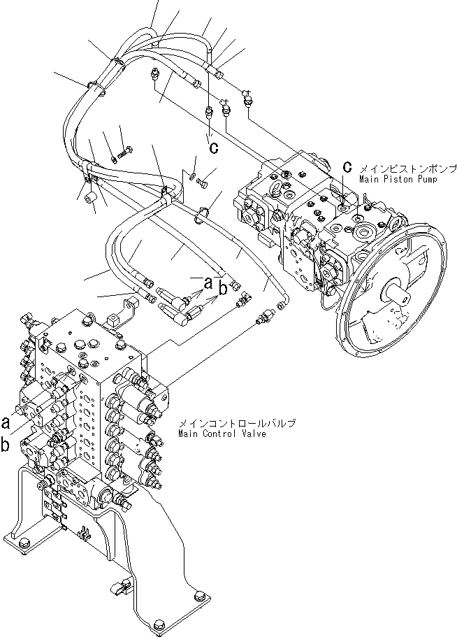
1
1
2
2
3
3
4
4
5
5
6
6
7
7
8
9
10
11
12
13
14
15
16
17
17
17
FIT
1:1
100%

Артикул

Название

Примечание

Количество

1

20Y-62-53650

HOSE

2

20Y-62-53660

HOSE

3

20Y-62-22790

BAND, RED

4

20Y-62-52851

HOSE ASS'Y

5

20Y-62-22820

BAND, BLUE

6

20Y-62-52860

HOSE

7

20Y-62-22810

BAND, YELLOW

8

04435-51612

CLIP

9

01010-81225

BOLT

10

01643-31232

WASHER

11

04435-51612

CLIP

12

04434-51312

CLIP

13

04434-51612

CLIP

14

195-33-11220

SPACER

15

01010-81255

BOLT

16

01643-31232

WASHER

17

08034-20536

BAND

Выбрано товаров: 17