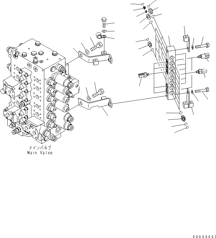
Запчасти Komatsu PC200LC-8E0 БЛОК ПЕРЕКЛЮЧЕНИЯ ДАВЛЕНИЯ(№-9) ГИДРАВЛИКА

Схема запчастей Komatsu PC200LC-8E0 - БЛОК ПЕРЕКЛЮЧЕНИЯ ДАВЛЕНИЯ(№-9) ГИДРАВЛИКА
1
2
3
4
5
6
7
8
9
10
11
12
13
14
15
16
17
18
18
19
19
20
20
21
22
23
24
25
25
26
26
27
28
29
FIT
1:1
100%

Артикул

Название

Примечание

Количество

1

205-62-32130

BLOCK

2

20Y-62-16630

NIPPLE

3

201-60-11390

O-RING

4

20Y-62-19560

O-RING

5

07002-11423

O-RING

|$8

423-62-31840

VALVE ASS'Y

6

20U-62-41870

NIPPLE

7

21W-973-3420

POPPET

8

423-62-35450

PLUG

9

02896-11008

O-RING

10

07002-11423

O-RING

11

11Y-62-12520

NIPPLE

12

02896-11009

O-RING

13

07002-11423

O-RING

14

11Y-62-12130

NIPPLE

15

02896-11008

O-RING

16

07002-11423

O-RING

17

206-06-61130

SWITCH

18

7861-93-1840

SENSOR

19

01010-81270

BOLT

20

01643-31232

WASHER

21

20Y-62-51371

BRACKET

22

20Y-62-51411

BRACKET

23

205-62-32120

BRACKET

24

205-62-32110

BRACKET

25

01010-81635

BOLT

26

01643-31645

WASHER

27

04434-52112

CLIP

28

01010-81225

BOLT

29

01643-31232

WASHER

Выбрано товаров: 30