Запчасти Komatsu PC200LC-8E0 ОСНОВН. ЛИНИЯ PPC(№-9) ГИДРАВЛИКА

Схема запчастей Komatsu PC200LC-8E0 - ОСНОВН. ЛИНИЯ PPC(№-9) ГИДРАВЛИКА
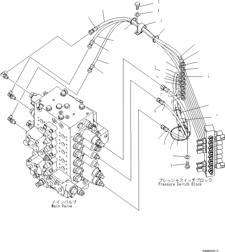
1
1
2
2
3
3
4
4
5
5
6
6
7
7
8
8
9
9
10
10
11
11
12
12
13
13
14
14
15
16
17
18
19
20
21
22
FIT
1:1
100%

Артикул

Название

Примечание

Количество

1

08034-20536

BAND

2

208-62-72160

HOSE, 720MM

3

20Y-62-51870

HOSE, 700MM

4

20Y-62-51890

HOSE, 900MM

5

20Y-62-22820

BAND, BLUE

6

20Y-62-22830

BAND, WHITE

7

20Y-62-22860

BAND, BROWN

8

08034-20536

BAND

9

208-62-72310

HOSE, 950MM

10

208-62-72590

HOSE, 700MM

11

20Y-62-51880

HOSE, 1100MM

12

20Y-62-22810

BAND, YELLOW

13

20Y-62-22840

BAND, BLACK

14

20Y-62-22850

BAND, GREEN

15

205-62-32210

HOSE

16

04434-52712

CLIP

17

04434-52312

CLIP

18

01010-81225

BOLT

19

01643-31232

WASHER

20

01010-81225

BOLT

21

01643-31232

WASHER

22

08034-20536

BAND

Выбрано товаров: 22