Запчасти Komatsu PC200LC-8E0 ОСНОВН. ЛИНИЯ PPC(№9-) ГИДРАВЛИКА

Схема запчастей Komatsu PC200LC-8E0 - ОСНОВН. ЛИНИЯ PPC(№9-) ГИДРАВЛИКА
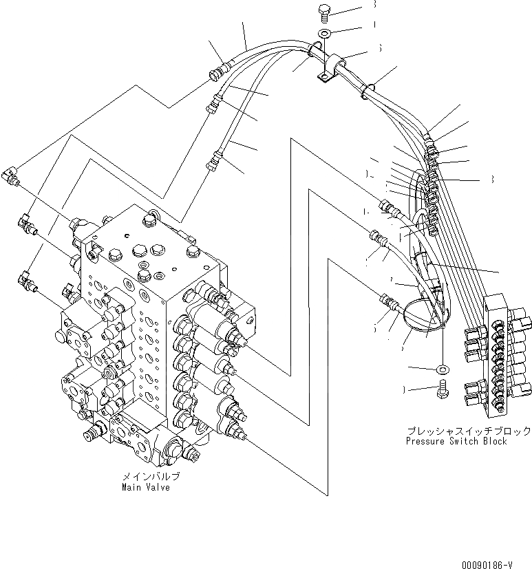
1
1
2
2
3
3
4
4
5
5
6
6
6
7
8
8
9
9
10
10
11
11
12
12
13
14
14
15
15
16
17
18
19
20
21
22
FIT
1:1
100%

Артикул

Название

Примечание

Количество

1

02740-00309

HOSE

2

08034-20536

BAND

3

208-62-72160

HOSE, 720MM

4

20Y-62-51870

HOSE, 700MM

5

20Y-62-22820

BAND, BLUE

6

20Y-62-22830

BAND, WHITE

7

20Y-62-22860

BAND, BROWN

8

08034-20536

BAND

9

208-62-72310

HOSE, 950MM

10

20Y-62-51880

HOSE, 1100MM

11

20Y-62-22840

BAND, BLACK

12

20Y-62-22850

BAND, GREEN

13

205-62-32210

HOSE

14

205-62-31930

HOSE ASS'Y

15

20Y-62-22810

BAND, YELLOW

16

04434-53212

CLIP

17

04434-52512

CLIP

18

01010-81225

BOLT

19

01643-31232

WASHER

20

01010-81225

BOLT

21

01643-31232

WASHER

22

08034-20536

BAND

Выбрано товаров: 22