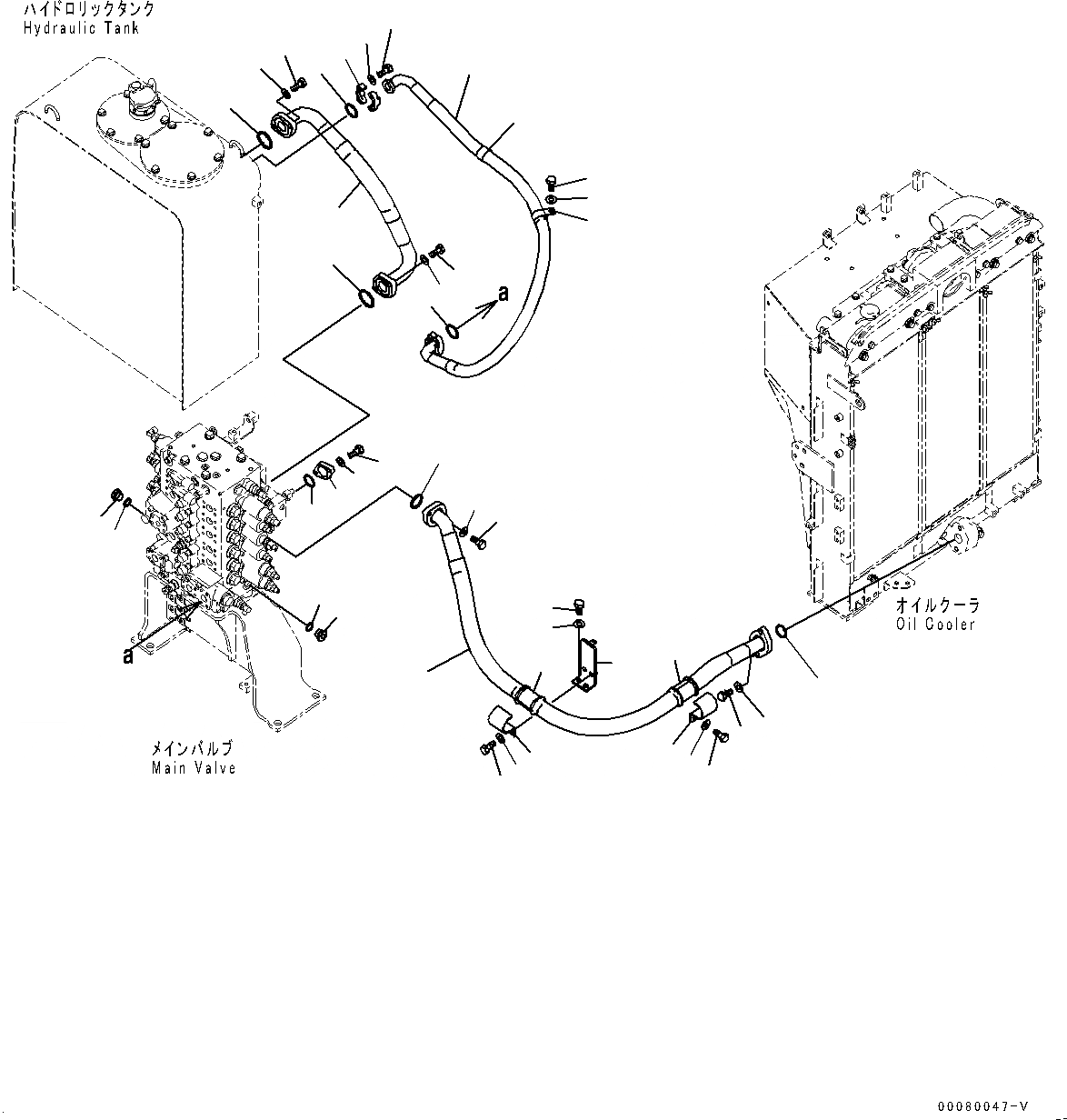
Запчасти Komatsu PC200LC-8E0 ВОЗВРАТ. ТРУБЫ (№8-) ВОЗВРАТ. ТРУБЫ

Схема запчастей Komatsu PC200LC-8E0 - ВОЗВРАТ. ТРУБЫ (№8-) ВОЗВРАТ. ТРУБЫ
30
33
32
27
27
28
22
24
23
26
25
16
21
20
19
18
2
17
17
29
31
23
7
7
2
1
13
10
10
11
11
3
8
8
9
9
14
5
6
12
12
4
15
FIT
1:1
100%

Артикул

Название

Примечание

Количество

1

205-62-31810

Hose

2

07000-13048

O-ring

3

01010-81240

Bolt

4

01643-31232

Washer

5

01010-81240

Bolt

6

01643-31232

Washer

7

22U-62-21551

Clamp

8

01010-81225

Bolt

9

01643-31232

Washer

10

07095-01245

Cushion

11

07040-12412

Plug

12

07002-12434

O-ring

13

205-62-30110

Bracket

14

01010-81225

Bolt

15

01643-31232

Washer

16

20Y-62-51251

Hose

17

07000-13048

O-ring

18

01010-81240

Bolt

19

01643-31232

Washer

20

01010-81235

Bolt

21

01643-31232

Washer

22

20Y-62-51332

Hose

23

07000-13032

O-ring

24

07371-31049

Flange, Split

25

07372-21035

Bolt

26

01643-51032

Washer

27

281-01-13180

Clip

28

01010-81225

Bolt

29

01643-31232

Washer

30

20Y-62-53160

Flange

31

07000-13040

O-ring

32

01010-81035

Bolt

33

01643-31032

Washer

Выбрано товаров: 33