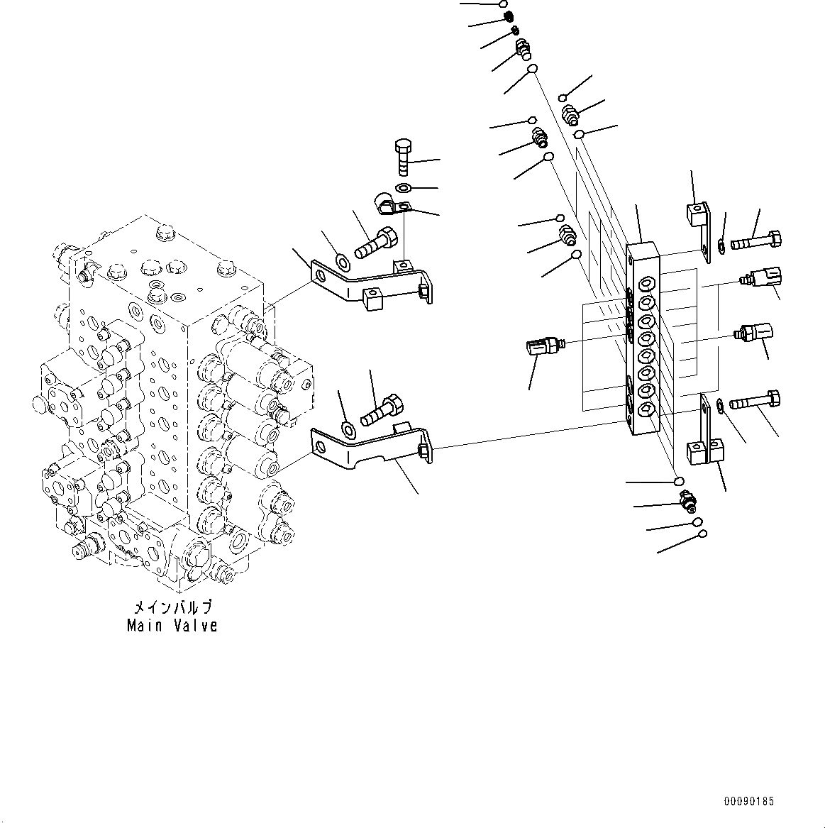
Запчасти Komatsu PC200LC-8E0 БЛОК ПЕРЕКЛЮЧЕНИЯ ДАВЛЕНИЯ (№8-) БЛОК ПЕРЕКЛЮЧЕНИЯ ДАВЛЕНИЯ, С УПРАВЛ-Е PATTERN CHANGE OVER КЛАПАН

Схема запчастей Komatsu PC200LC-8E0 - БЛОК ПЕРЕКЛЮЧЕНИЯ ДАВЛЕНИЯ (№8-) БЛОК ПЕРЕКЛЮЧЕНИЯ ДАВЛЕНИЯ, С УПРАВЛ-Е PATTERN CHANGE OVER КЛАПАН
29
10
12
11
13
19
17
18
6
7
22
28
29
28
26
32
31
30
9
8
18
4
23
25
1
3
5
2
22
23
24
21
20
27
16
14
15
FIT
1:1
100%

Артикул

Название

Примечание

Количество

1

205-62-32130

Block

2

20Y-62-16630

Nipple

3

201-60-11390

O-ring

4

20Y-62-19560

O-ring

5

07002-11423

O-ring

6

423-62-31840

Valve Assembly

7

20U-62-41870

Nipple

8

21W-973-3420

Poppet

9

02896-11008

O-ring

10

07002-11423

O-ring

11

11Y-62-12520

Union

12

02896-11009

O-ring

13

07002-11423

O-ring

14

11Y-62-12130

Nipple

15

02896-11008

O-ring

16

07002-11423

O-ring

17

11Y-62-12520

Union

18

02896-11009

O-ring

19

07002-11423

O-ring

20

206-06-61130

Switch, Pressure

21

7861-93-1840

Sensor

22

01010-81270

Bolt

23

01643-31232

Washer

24

20Y-62-51371

Bracket

25

20Y-62-51411

Bracket

26

205-62-32120

Bracket

27

205-62-32110

Bracket

28

01010-81635

Bolt

29

01643-31645

Washer

30

04434-52112

Clip

31

01010-81225

Bolt

32

01643-31232

Washer

Выбрано товаров: 32