Запчасти Komatsu PC200LC-8E0 КАБИНА, ПОЛ, ТРУБКИ КОНДИЦИОНЕРА (№8-) КАБИНА, С EOPS КАБИНА, ЗАЩИТА ОТ ВАНДАЛИЗМА, POWER ПОДАЮЩ., VOLT, KOMTRAX

Схема запчастей Komatsu PC200LC-8E0 - КАБИНА, ПОЛ, ТРУБКИ КОНДИЦИОНЕРА (№8-) КАБИНА, С EOPS КАБИНА, ЗАЩИТА ОТ ВАНДАЛИЗМА, POWER ПОДАЮЩ., VOLT, KOMTRAX
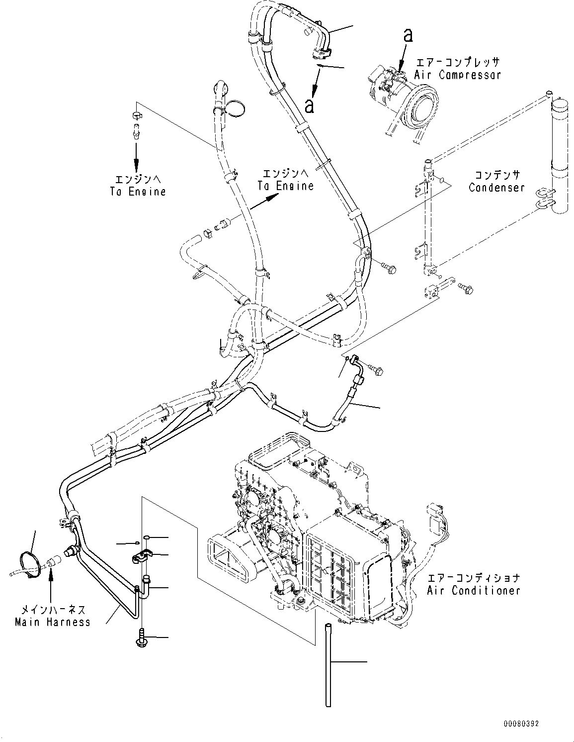
1
2
3
5
4
8
3
5
6
4
2
7
FIT
1:1
100%

Артикул

Название

Примечание

Количество

1

208-979-7640

Hose

2

205-979-2121

Hose

3

20Y-979-3150

O-ring

4

205-979-2131

Hose

5

20Y-979-3130

O-ring

6

208-979-7650

Connector

7

01435-40620

Bolt

8

08034-20536

Band

Выбрано товаров: 8