Запчасти Komatsu PC200LC-8E0 КОМПОНЕНТЫ ДВИГАТЕЛЯ (№8-) КОМПОНЕНТЫ ДВИГАТЕЛЯ

Схема запчастей Komatsu PC200LC-8E0 - КОМПОНЕНТЫ ДВИГАТЕЛЯ (№8-) КОМПОНЕНТЫ ДВИГАТЕЛЯ
12
13
14
7
8
6
5
9
11
10
3
4
29
28
2
30
21
27
26
24
25
20
19
22
23
15
18
20
16
17
1
FIT
1:1
100%

Артикул

Название

Примечание

Количество

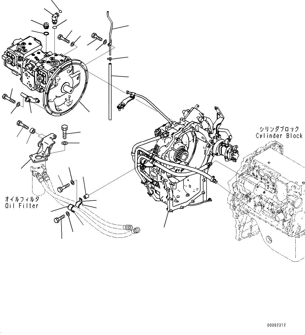
1

7875-10-1103

Motor Assembly

1

7875-10-1102

Motor Assembly

1

7875-10-1101

Motor Assembly

2

205-01-31120

Tube

3

07260-20950

Hose

4

07285-00155

Clip

5

01010-81045

Bolt

6

01643-31032

Washer

7

01010-81060

Bolt

8

01643-31032

Washer

9

205-62-31380

Bracket

10

01010-81070

Bolt

11

01643-31032

Washer

12

02782-10628

Elbow

13

02896-11018

O-ring

14

07002-12434

O-ring

15

205-01-31111

Bracket

16

01010-80825

Bolt

17

01643-30823

Washer

18

01010-81245

Bolt

19

6164-41-5390

Seat

20

198-06-53630

Cushion

21

04434-53412

Clip

22

04434-53411

Clip

23

205-01-31140

Collar

24

01010-81055

Bolt

25

01643-31032

Washer

26

01010-81225

Bolt

27

01643-31232

Washer

28

232-23-11220

Breather

28

07030-03034

Breather

29

07005-03016

Seal, Washer

30

708-2L-00800

Pump Assembly

Выбрано товаров: 33