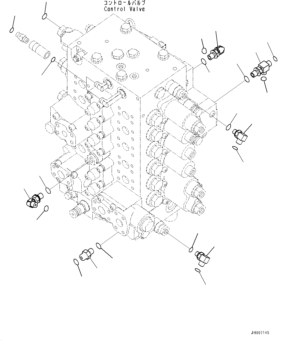
Запчасти Komatsu PC200LC-8M0 УПРАВЛЯЮЩ. КЛАПАН, СОЕДИНИТЕЛЬН. ЧАСТИ (/) (№-) УПРАВЛЯЮЩ. КЛАПАН

Схема запчастей Komatsu PC200LC-8M0 - УПРАВЛЯЮЩ. КЛАПАН, СОЕДИНИТЕЛЬН. ЧАСТИ (/) (№-) УПРАВЛЯЮЩ. КЛАПАН
3
14
13
13
15
16
17
6
5
11
12
1
2
1
2
9
10
3
4
7
4
8
FIT
1:1
100%

Артикул

Название

Примечание

Количество

1

02896-11008

O-ring

2

20Y-62-41920

Elbow

3

02896-11008

O-ring

4

07002-11223

O-ring

5

02896-11008

O-ring

6

11Y-62-12160

Elbow

7

02896-11008

O-ring

8

07002-11423

O-ring

9

11Y-62-12160

Elbow

10

02896-11008

O-ring

11

07002-11423

O-ring

12

11Y-62-12330

Tee

13

02896-11008

O-ring

14

07002-11423

O-ring

15

11Y-62-12520

Union

16

02896-11009

O-ring

17

07002-11423

O-ring

Выбрано товаров: 17