Запчасти Komatsu PC200LC-8M0 ПОРШЕНЬ НАСОС, ВНУТР. ЧАСТИ (/) (№-) ПОРШЕНЬ НАСОС

Схема запчастей Komatsu PC200LC-8M0 - ПОРШЕНЬ НАСОС, ВНУТР. ЧАСТИ (/) (№-) ПОРШЕНЬ НАСОС
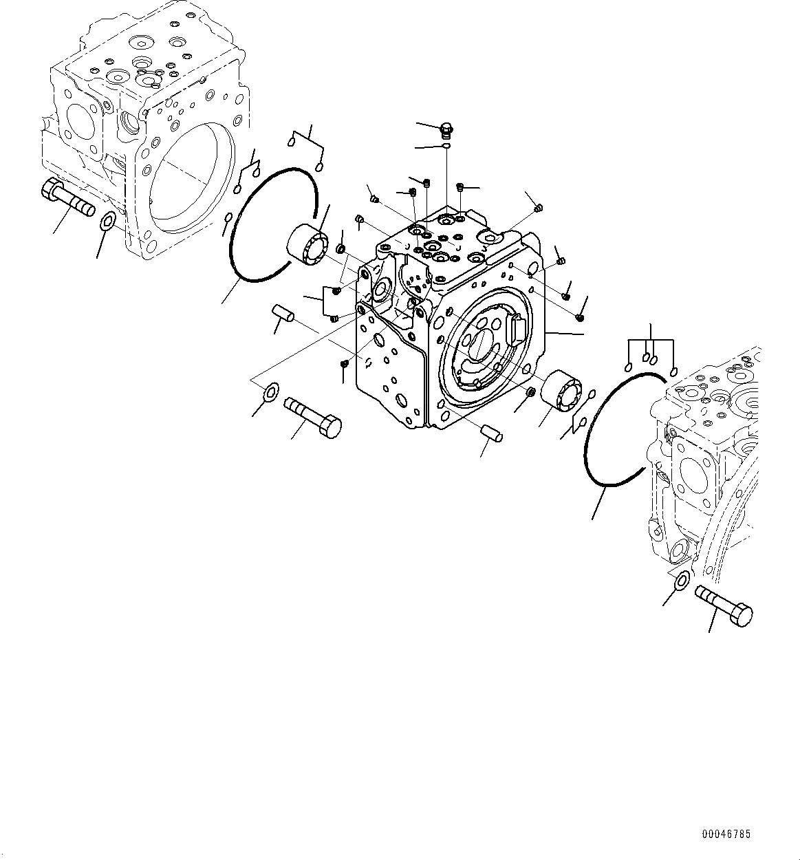
1
3
4
5
6
7
10
11
4
3
2
2
2
2
2
2
2
2
5
12
12
2
7
9
9
8
8
8
9
6
6
6
6
FIT
1:1
100%

Артикул

Название

Примечание

Количество

|$0

708-2L-00490

Pump Assembly

|$1

708-2L-01490

Pump Subassembly

|$2

708-2L-06450

Cap Assembly

1

Cap

2

Plug

3

708-2L-32260

Bearing

4

07000-A5165

O-ring

5

04020-01228

Pin, Dowel

6

07000-B2012

O-ring

7

708-2L-25480

Filter

8

01010-61655

Bolt

9

01643-31645

Washer

10

708-8E-16150

Plug

11

07002-61023

O-ring

12

708-1L-29340

Orifice

Выбрано товаров: 0