Качественные детали и логистика
Оригинальные и аналоговые запчасти с доставкой по России, Казахстану и Беларуси
©2022 PartSell ООО "Система" ИНН 2463123282 ОГРН 1212400004838
Центральный офис: г. Красноярск, Академика Киренского, д.87, пом.4
Телефон: 8 (800) 777-65-74 Email: zakaz@partsell.ru
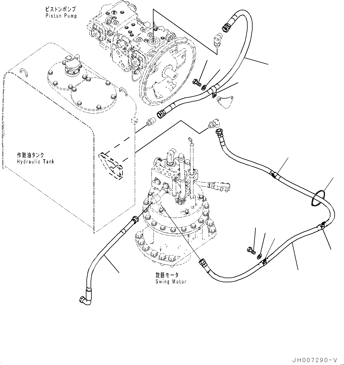
ДРЕНАЖН. ТРУБЫ (№-)
№
Артикул
Название
Примечание
Количество
1
20Y-62-54371
Hose
2
20Y-62-42471
3
04434-52312
Clip
4
01010-81225
Bolt
5
01643-31232
Washer
6
08034-20536
Band
7
20Y-62-43870
8
04434-52712
9
10
Выбрано товаров: 0