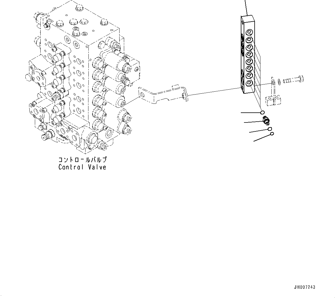
Запчасти Komatsu PC200LC-8M0 БЛОК ПЕРЕКЛЮЧЕНИЯ ДАВЛЕНИЯ, БЛОК (№-) БЛОК ПЕРЕКЛЮЧЕНИЯ ДАВЛЕНИЯ

Схема запчастей Komatsu PC200LC-8M0 - БЛОК ПЕРЕКЛЮЧЕНИЯ ДАВЛЕНИЯ, БЛОК (№-) БЛОК ПЕРЕКЛЮЧЕНИЯ ДАВЛЕНИЯ
4
1
3
5
2
FIT
1:1
100%

Артикул

Название

Примечание

Количество

1

2A5-62-12771

Block

2

20Y-62-16630

Nipple

3

201-60-11390

O-ring

4

20Y-62-19560

O-ring

5

07002-11423

O-ring

Выбрано товаров: 5