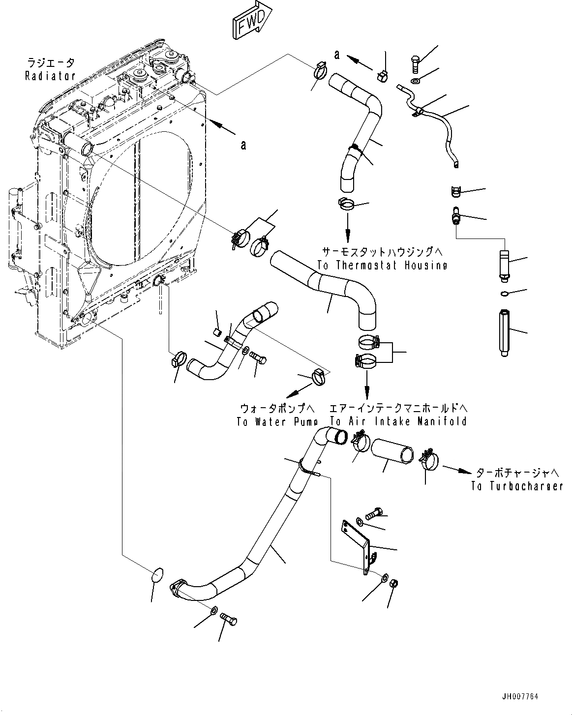
Запчасти Komatsu PC200LC-8M0 СИСТЕМА ОХЛАЖДЕНИЯ, ПОСЛЕОХЛАДИТЕЛЬ ТРУБЫ (№-) СИСТЕМА ОХЛАЖДЕНИЯ

Схема запчастей Komatsu PC200LC-8M0 - СИСТЕМА ОХЛАЖДЕНИЯ, ПОСЛЕОХЛАДИТЕЛЬ ТРУБЫ (№-) СИСТЕМА ОХЛАЖДЕНИЯ
2
2
3
4
5
6
7
8
9
11
12
15
17
16
16
18
19
20
21
22
27
28
29
30
33
1
10
18
4
23
24
25
26
31
32
13
14
FIT
1:1
100%

Артикул

Название

Примечание

Количество

1

20Y-03-46310

Hose

2

21T-62-69711

Clamp, Hose

3

20Y-03-41181

Hose

4

21T-62-69711

Clamp, Hose

5

20Y-03-41191

Tube

6

07000-E2065

O-ring

7

01010-81035

Bolt

8

01643-31032

Washer

9

20Y-03-46360

Bracket

10

01010-81230

Bolt

11

01643-31232

Washer

12

07283-37060

Clip, Pipe

13

01643-31032

Washer

14

01597-01009

Nut

15

20Y-03-41141

Hose

16

07289-00055

Clamp

17

20Y-03-42250

Hose

18

07289-00055

Clamp

19

208-62-38370

Clip

20

01010-81045

Bolt

21

01643-31032

Washer

22

195-33-11220

Spacer

23

205-03-31331

Nipple

24

205-03-31341

Elbow

25

07002-11423

O-ring

26

22U-03-31731

Nipple

27

206-03-24541

Hose Assembly

28

04434-51610

Clip

29

01010-81025

Bolt

30

01643-31032

Washer

31

11Y-09-11140

Clip

32

11Y-09-11140

Clip

33

134-03-61410

Band

Выбрано товаров: 33