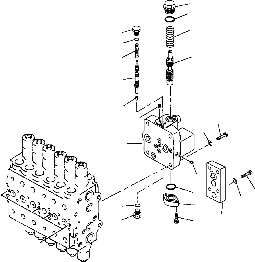
Запчасти Komatsu PC200LL-6 FIG. H-A ОСНОВН. КЛАПАН - MERGE КЛАПАН ДЕЛИТЕЛЯ ПОТОКА ASSEMBLY ГИДРАВЛИКА

Схема запчастей Komatsu PC200LL-6 - FIG. H-A ОСНОВН. КЛАПАН - MERGE КЛАПАН ДЕЛИТЕЛЯ ПОТОКА ASSEMBLY ГИДРАВЛИКА
4
11
3
8
9
2
7
6
10
10
14
15
1
10
12
17
18
5
9
16
8
13
FIT
1:1
100%

Артикул

Название

Примечание

Количество

|$1

723-40-70100

VALVE ASSEMBLY, MERGE FLOW DIVIDER

1

NSS

BODY

2

NSS

SPOOL

3

723-40-71160

SPRING

4

723-40-71140

PLUG

5

723-40-71150

PLATE

6

NSS

SPOOL

7

723-40-71170

SPRING

8

07040-11812

PLUG

9

07002-11823

O-RING

10

NSS

PLUG

11

07002-13634

O-RING

12

07000-13032

O-RING

13

01252-30830

BOLT

14

01010-61460

BOLT

15

01643-31445

WASHER

16

723-46-15280

PLATE

17

01010-81040

BOLT

18

01643-31032

WASHER

Выбрано товаров: 19