Запчасти Komatsu PC200LL-6 FIG. H-A ОСНОВН. НАСОС - ПЕРЕДН. КОРПУС ASSEMBLY ГИДРАВЛИКА

Схема запчастей Komatsu PC200LL-6 - FIG. H-A ОСНОВН. НАСОС - ПЕРЕДН. КОРПУС ASSEMBLY ГИДРАВЛИКА
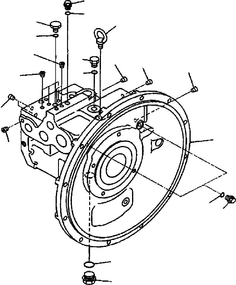
8
9
7
10
11
2
2
5
2
2
6
2
2
1
2
9
8
4
3
FIT
1:1
100%

Артикул

Название

Примечание

Количество

|$0

708-2L-00413

PUMP ASSEMBLY

|$1

708-2L-01442

PUMP SUB ASSEMBLY

|$2

708-2L-04240

CASE ASSEMBLY, FRONT

1

NSS

CASE, FRONT

2

NSS

PLUG

3

07044-12412

PLUG

4

708-1W-28910

O-RING

5

720-68-19870

PLUG

6

708-2L-23940

O-RING

7

04530-01018

BOLT

8

708-8E-16150

PLUG

9

708-2L-23920

O-RING

10

708-8H-11530

PLUG

11

708-2L-23950

O-RING

Выбрано товаров: 14