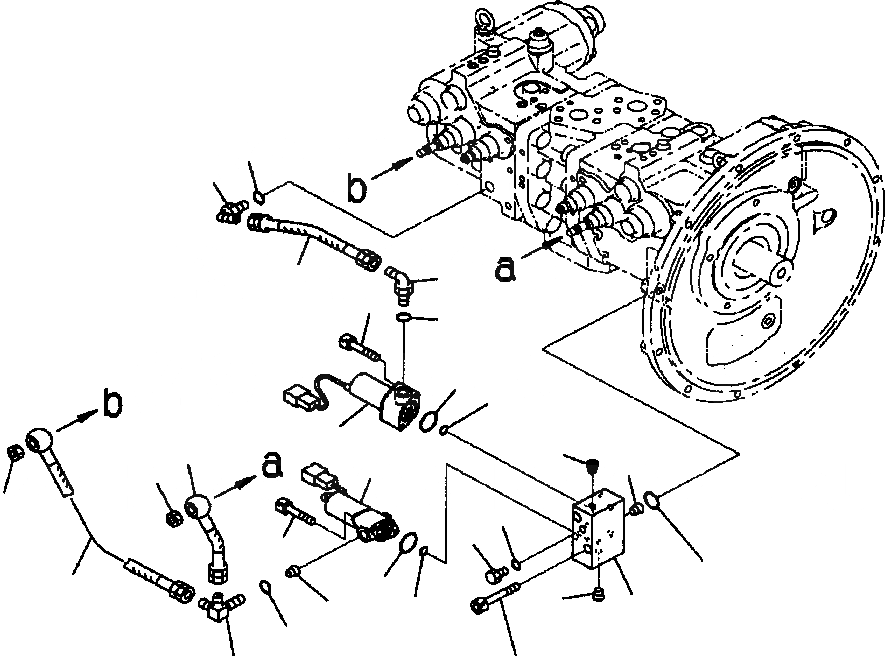
Запчасти Komatsu PC200LL-6 FIG. H-A ОСНОВН. НАСОС - EPC УПРАВЛЯЮЩ. КЛАПАН ГИДРАВЛИКА

Схема запчастей Komatsu PC200LL-6 - FIG. H-A ОСНОВН. НАСОС - EPC УПРАВЛЯЮЩ. КЛАПАН ГИДРАВЛИКА
10
9
9
14
8
10
15
16
1
12
3
1
3
11
11
6
5
8
4
13
15
3
2
16
18
19
17
7
FIT
1:1
100%

Артикул

Название

Примечание

Количество

|$2

708-2L-04291

BLOCK ASSEMBLY

2

NSS

BLOCK

3

NSS

PLUG

4

NSS

O-RING

5

07040-11007

PLUG

6

708-2L-23920

O-RING

7

01252-60865

BOLT

8

203-60-62220

BOLT

9

07235-10210

ELBOW

10

708-2L-23950

O-RING

11

01582-11008

NUT

12

708-2L-29410

HOSE

13

708-2L-29420

HOSE

14

708-2L-29430

HOSE

15

708-2L-23960

O-RING

16

07000-B2011

O-RING

17

708-2L-29450

ELBOW

18

708-2L-29460

ORIFICE

19

708-2L-23950

O-RING

Выбрано товаров: 19