Качественные детали и логистика
Оригинальные и аналоговые запчасти с доставкой по России, Казахстану и Беларуси
©2022 PartSell ООО "Система" ИНН 2463123282 ОГРН 1212400004838
Центральный офис: г. Красноярск, Академика Киренского, д.87, пом.4
Телефон: 8 (800) 777-65-74 Email: zakaz@partsell.ru
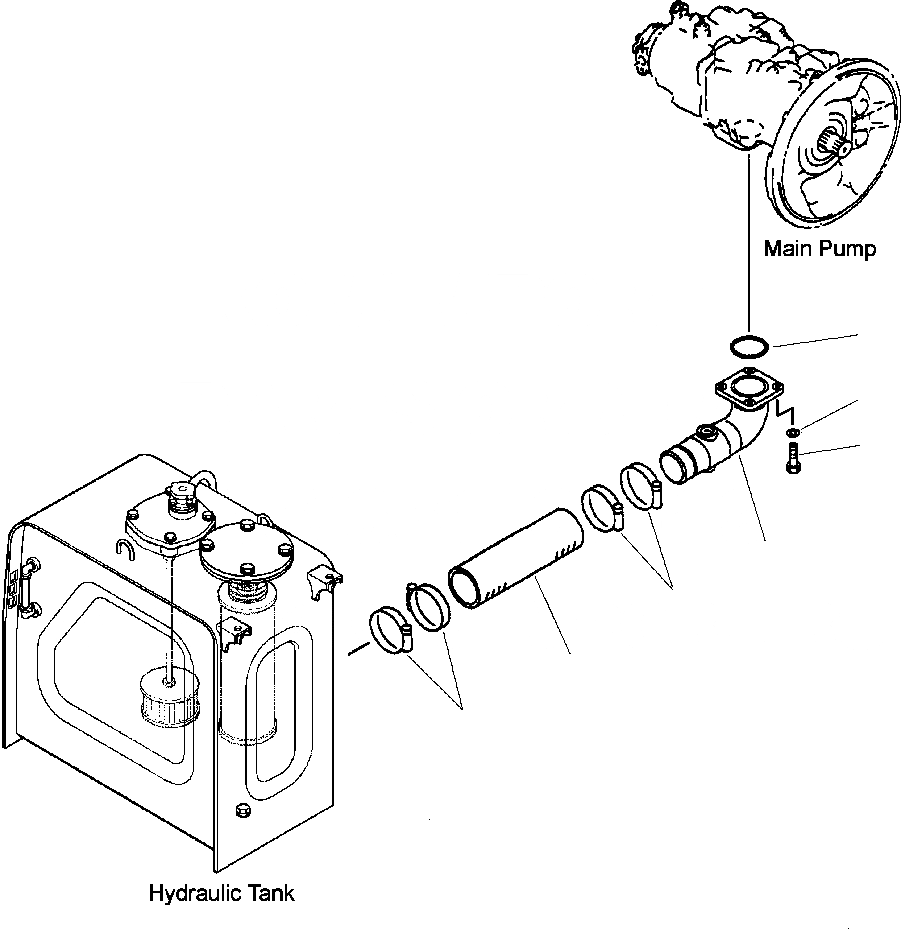
FIG. H-A ГИДРОЛИНИЯ - ВСАСЫВ. ЛИНИЯ
№
Артикул
Название
Примечание
Количество
1
07260-08732
HOSE
2
07289-00105
CLAMP
3
20Y-62-27651
ELBOW
4
07000-02085
O-RING
5
01010-81235
BOLT
6
01643-31232
WASHER
Выбрано товаров: 0